lemon-mirror:
Home >> Toyota >> 2011 >> Land Cruiser >> Repair and Diagnosis >> Electrical >> Body Electrical >> OEM System Circuits >> Headlight >> Notes

OEM System Circuits: Headlight: Notes

Fig 1: Headlight System Wiring Diagram (1 Of 5)
G07115991Courtesy of © TOYOTA, LICENSE AGREEMENT TMS1002
Fig 2: Headlight System Wiring Diagram (2 Of 5)
G07115992Courtesy of © TOYOTA, LICENSE AGREEMENT TMS1002
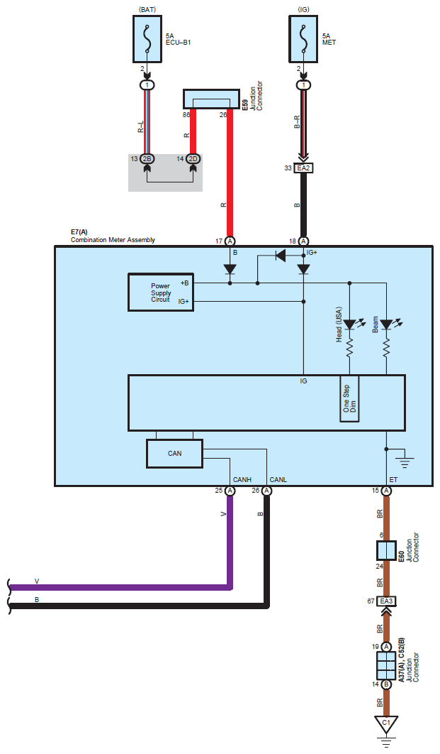
Fig 3: Headlight System Wiring Diagram (3 Of 5)
G07115993Courtesy of © TOYOTA, LICENSE AGREEMENT TMS1002
Fig 4: Headlight System Wiring Diagram (4 Of 5)
G07115994Courtesy of © TOYOTA, LICENSE AGREEMENT TMS1002
Fig 5: Headlight System Wiring Diagram (5 Of 5)
G07115995Courtesy of © TOYOTA, LICENSE AGREEMENT TMS1002