lemon-mirror:
Home >> Toyota >> 2011 >> Matrix Base, Automatic >> Repair and Diagnosis >> Electrical >> Body Electrical >> OEM Ground Points >> Ground Point >> Notes

Ground Point: Notes

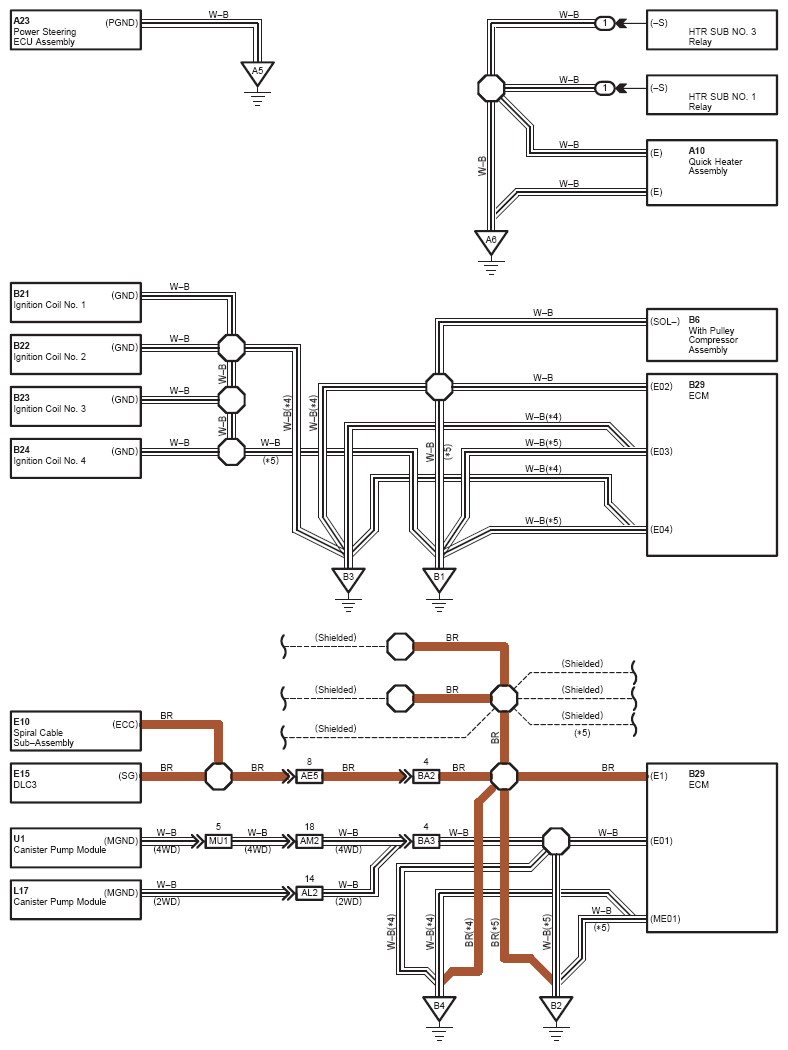
Fig 1: Ground Point Wiring Diagram (1 Of 5)
G07114358Courtesy of © TOYOTA, LICENSE AGREEMENT TMS1002
Fig 2: Ground Point Wiring Diagram (2 Of 5)
G07114359Courtesy of © TOYOTA, LICENSE AGREEMENT TMS1002
Fig 3: Ground Point Wiring Diagram (3 Of 5)
G07114360Courtesy of © TOYOTA, LICENSE AGREEMENT TMS1002
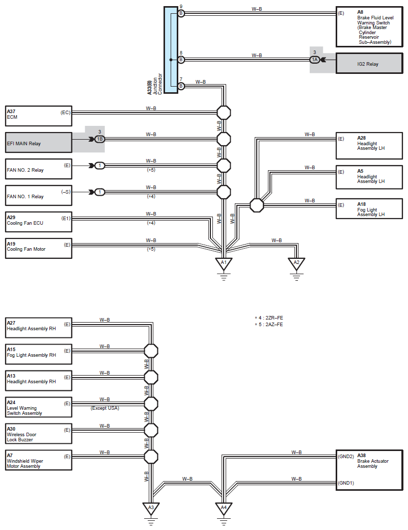
Fig 4: Ground Point Wiring Diagram (4 Of 5)
G07114361Courtesy of © TOYOTA, LICENSE AGREEMENT TMS1002
Fig 5: Ground Point Wiring Diagram (5 Of 5)
G07114362Courtesy of © TOYOTA, LICENSE AGREEMENT TMS1002