lemon-mirror:
Home >> Toyota >> 2011 >> Matrix Base, Automatic >> Repair and Diagnosis >> Electrical >> Body Electrical >> OEM System Circuits >> ABS, TRAC and VSC >> Notes

ABS, TRAC and VSC: Notes

Fig 1: ABS, TRAC And VSC System Wiring Diagram (1 Of 6)
G07114293Courtesy of © TOYOTA, LICENSE AGREEMENT TMS1002
Fig 2: ABS, TRAC And VSC System Wiring Diagram (2 Of 6)
G07114294Courtesy of © TOYOTA, LICENSE AGREEMENT TMS1002
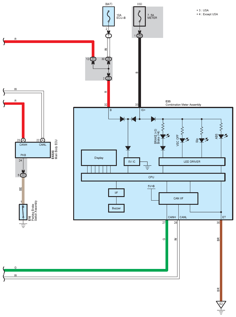
Fig 3: ABS, TRAC And VSC System Wiring Diagram (3 Of 6)
G07114295Courtesy of © TOYOTA, LICENSE AGREEMENT TMS1002
Fig 4: ABS, TRAC And VSC System Wiring Diagram (4 Of 6)
G07114296Courtesy of © TOYOTA, LICENSE AGREEMENT TMS1002
Fig 5: ABS, TRAC And VSC System Wiring Diagram (5 Of 6)
G07114297Courtesy of © TOYOTA, LICENSE AGREEMENT TMS1002
Fig 6: ABS, TRAC And VSC System Wiring Diagram (6 Of 6)
G07114298Courtesy of © TOYOTA, LICENSE AGREEMENT TMS1002