lemon-mirror:
Home >> Toyota >> 2011 >> Matrix Base, Automatic >> Repair and Diagnosis >> Electrical >> Body Electrical >> OEM System Circuits >> Cruise Control (2AZ-FE) >> Notes

Cruise Control (2AZ-FE): Notes

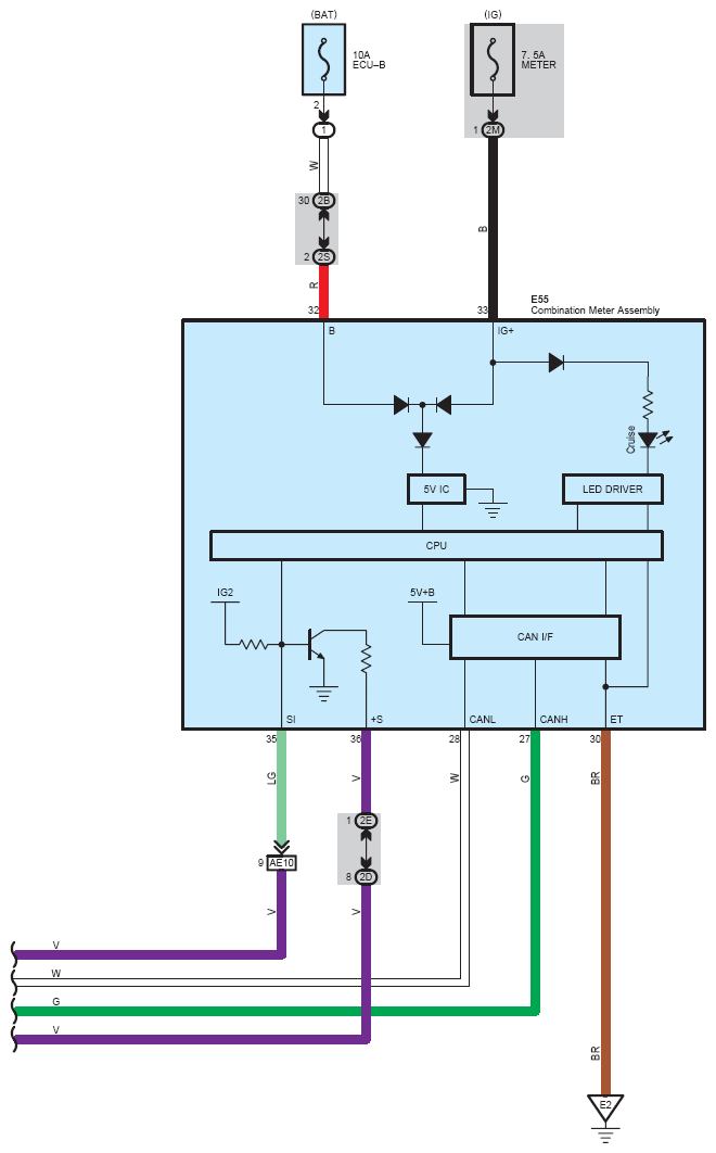
Fig 1: Cruise Control (2AZ-FE) System Wiring Diagram (1 Of 7)
G07114280Courtesy of © TOYOTA, LICENSE AGREEMENT TMS1002
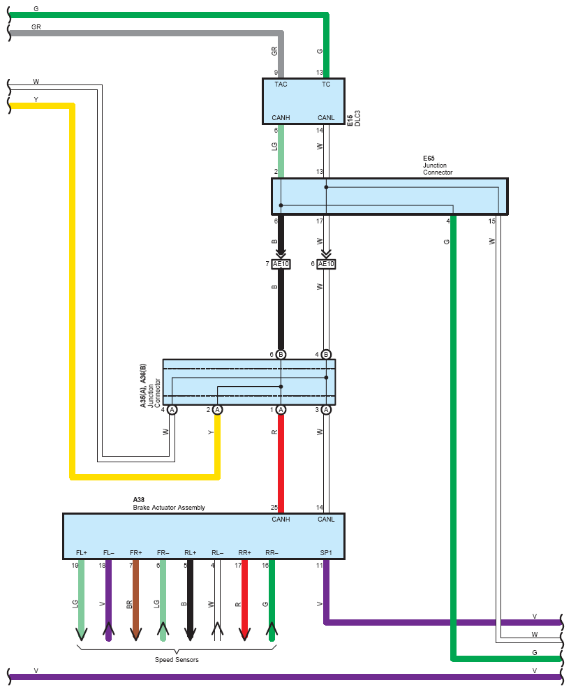
Fig 2: Cruise Control (2AZ-FE) System Wiring Diagram (2 Of 7)
G07114281Courtesy of © TOYOTA, LICENSE AGREEMENT TMS1002
Fig 3: Cruise Control (2AZ-FE) System Wiring Diagram (3 Of 7)
G07114282Courtesy of © TOYOTA, LICENSE AGREEMENT TMS1002
Fig 4: Cruise Control (2AZ-FE) System Wiring Diagram (4 Of 7)
G07114283Courtesy of © TOYOTA, LICENSE AGREEMENT TMS1002
Fig 5: Cruise Control (2AZ-FE) System Wiring Diagram (5 Of 7)
G07114284Courtesy of © TOYOTA, LICENSE AGREEMENT TMS1002
Fig 6: Cruise Control (2AZ-FE) System Wiring Diagram (6 Of 7)
G07114285Courtesy of © TOYOTA, LICENSE AGREEMENT TMS1002
Fig 7: Cruise Control (2AZ-FE) System Wiring Diagram (7 Of 7)
G07114286Courtesy of © TOYOTA, LICENSE AGREEMENT TMS1002