lemon-mirror:
Home >> Toyota >> 2011 >> Matrix Base, Automatic >> Repair and Diagnosis >> Electrical >> Body Electrical >> OEM System Circuits >> Engine Control (2AZ-FE) >> Notes

Engine Control (2AZ-FE): Notes

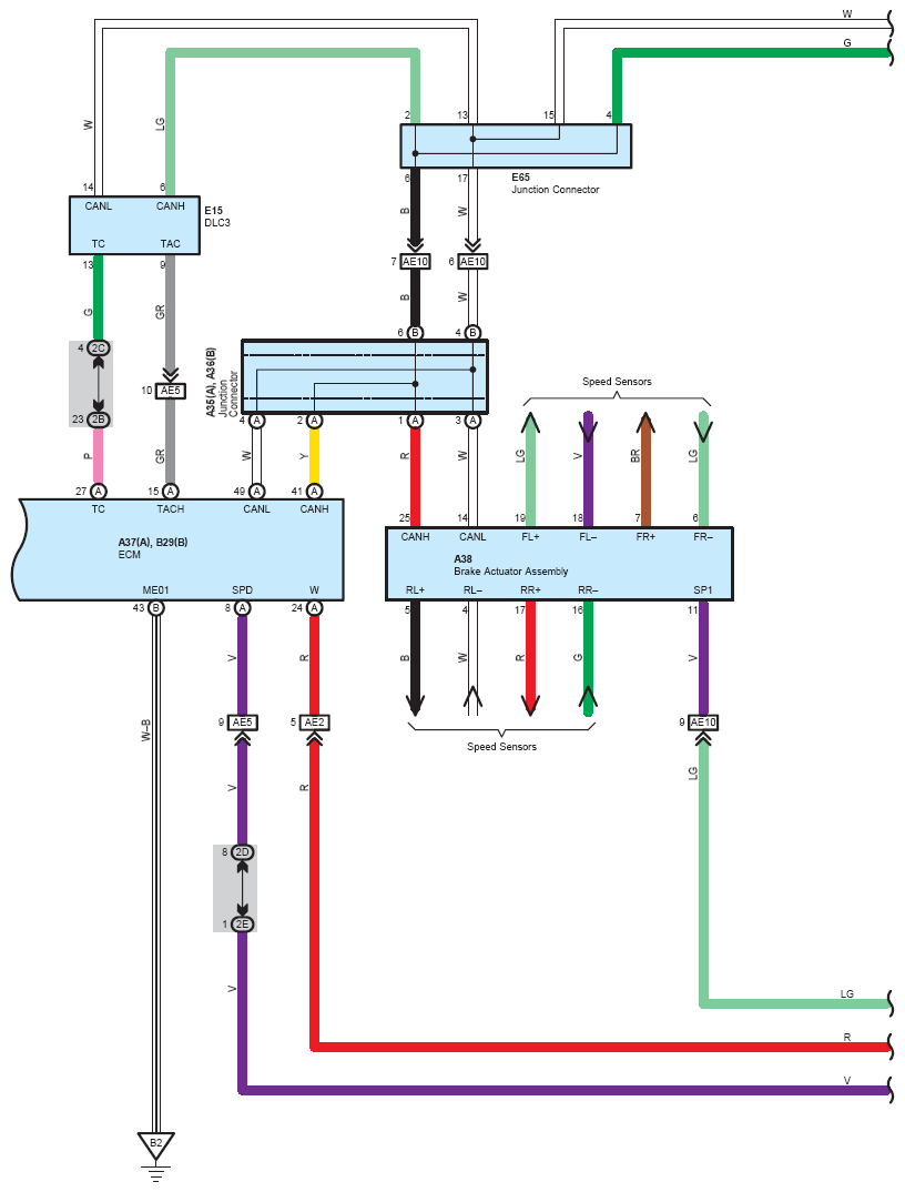
Fig 1: Engine Control (2AZ-FE) System Wiring Diagram (1 Of 10)
G07114210Courtesy of © TOYOTA, LICENSE AGREEMENT TMS1002
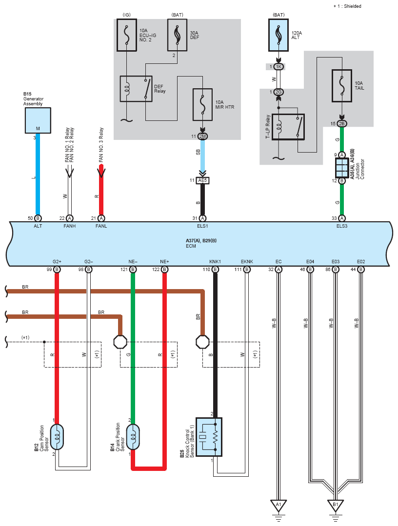
Fig 2: Engine Control (2AZ-FE) System Wiring Diagram (2 Of 10)
G07114211Courtesy of © TOYOTA, LICENSE AGREEMENT TMS1002
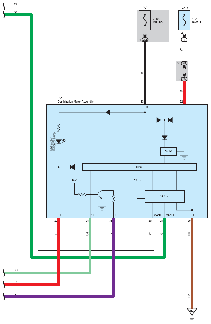
Fig 3: Engine Control (2AZ-FE) System Wiring Diagram (3 Of 10)
G07114212Courtesy of © TOYOTA, LICENSE AGREEMENT TMS1002
Fig 4: Engine Control (2AZ-FE) System Wiring Diagram (4 Of 10)
G07114213Courtesy of © TOYOTA, LICENSE AGREEMENT TMS1002
Fig 5: Engine Control (2AZ-FE) System Wiring Diagram (5 Of 10)
G07114214Courtesy of © TOYOTA, LICENSE AGREEMENT TMS1002
Fig 6: Engine Control (2AZ-FE) System Wiring Diagram (6 Of 10)
G07114215Courtesy of © TOYOTA, LICENSE AGREEMENT TMS1002
Fig 7: Engine Control (2AZ-FE) System Wiring Diagram (7 Of 10)
G07114216Courtesy of © TOYOTA, LICENSE AGREEMENT TMS1002
Fig 8: Engine Control (2AZ-FE) System Wiring Diagram (8 Of 10)
G07114217Courtesy of © TOYOTA, LICENSE AGREEMENT TMS1002
Fig 9: Engine Control (2AZ-FE) System Wiring Diagram (9 Of 10)
G07114218Courtesy of © TOYOTA, LICENSE AGREEMENT TMS1002
Fig 10: Engine Control (2AZ-FE) System Wiring Diagram (10 Of 10)
G07114219Courtesy of © TOYOTA, LICENSE AGREEMENT TMS1002