lemon-mirror:
Home >> Toyota >> 2011 >> Matrix Base, Automatic >> Repair and Diagnosis >> Electrical >> Body Electrical >> OEM System Circuits >> Light Reminder >> Notes

Light Reminder: Notes

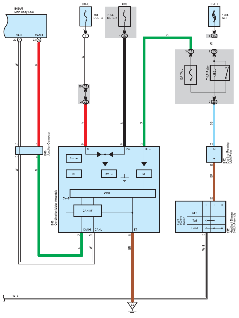
Fig 1: Light Reminder System Wiring Diagram (1 Of 2)
G07114321Courtesy of © TOYOTA, LICENSE AGREEMENT TMS1002
Fig 2: Light Reminder System Wiring Diagram (2 Of 2)
G07114322Courtesy of © TOYOTA, LICENSE AGREEMENT TMS1002