lemon-mirror:
Home >> Toyota >> 2011 >> Matrix Base, Automatic >> Repair and Diagnosis >> Electrical >> Body Electrical >> OEM System Circuits >> Rear Window Defogger and Mirror Heater >> Notes

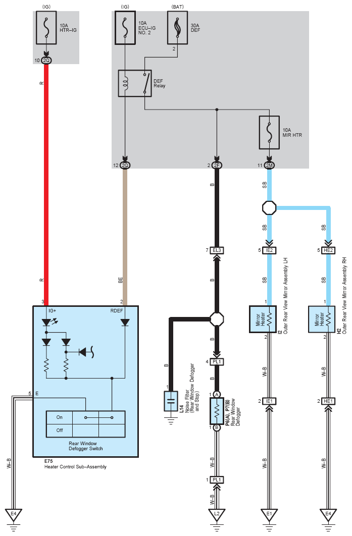
Rear Window Defogger and Mirror Heater: Notes

Fig 1: Rear Window Defogger And Mirror Heater System Wiring Diagram
G07114326Courtesy of © TOYOTA, LICENSE AGREEMENT TMS1002