lemon-mirror:
Home >> Toyota >> 2011 >> Matrix Base, Automatic >> Repair and Diagnosis >> Electrical >> Body Electrical >> OEM System Circuits >> SRS >> Notes

OEM System Circuits: SRS: Notes

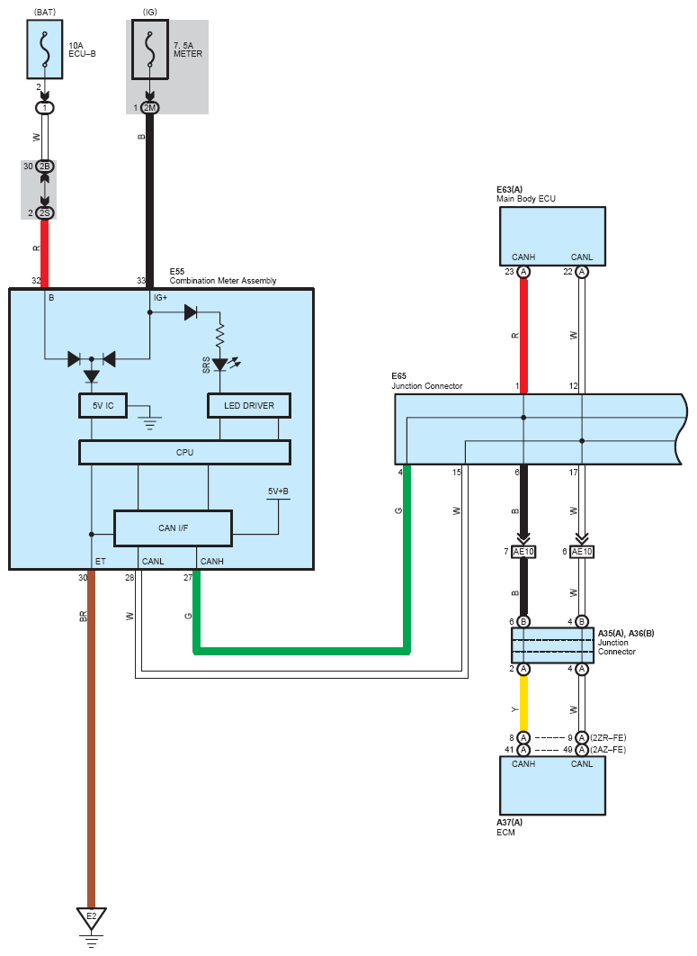
Fig 1: SRS System Wiring Diagram (1 Of 5)
G07114299Courtesy of © TOYOTA, LICENSE AGREEMENT TMS1002
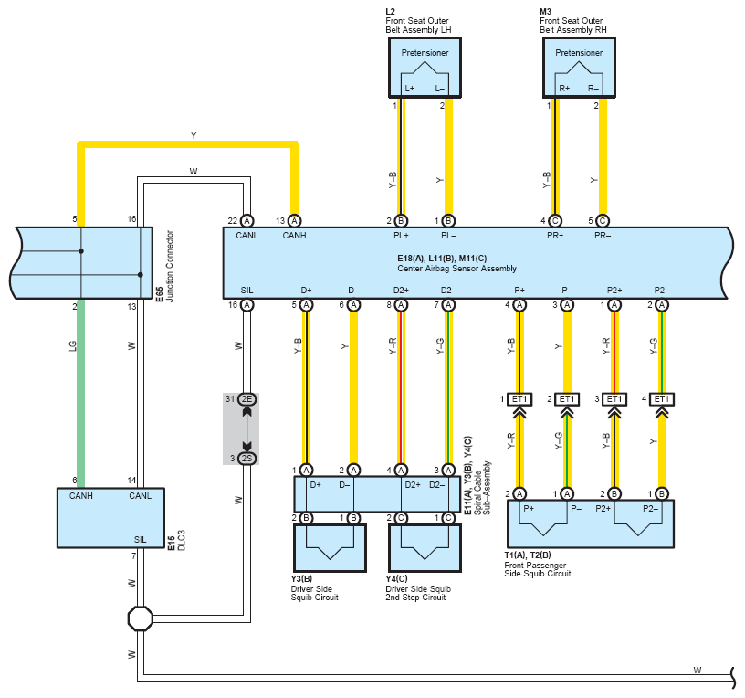
Fig 2: SRS System Wiring Diagram (2 Of 5)
G07114300Courtesy of © TOYOTA, LICENSE AGREEMENT TMS1002
Fig 3: SRS System Wiring Diagram (3 Of 5)
G07114301Courtesy of © TOYOTA, LICENSE AGREEMENT TMS1002
Fig 4: SRS System Wiring Diagram (4 Of 5)
G07114302Courtesy of © TOYOTA, LICENSE AGREEMENT TMS1002
Fig 5: SRS System Wiring Diagram (5 Of 5)
G07114303Courtesy of © TOYOTA, LICENSE AGREEMENT TMS1002