lemon-mirror:
Home >> Toyota >> 2011 >> Matrix Base, Automatic >> Repair and Diagnosis >> Electrical >> Body Electrical >> OEM System Circuits >> Seat Belt Warning >> Notes

Seat Belt Warning: Notes

Fig 1: Seat Belt Warning System Wiring Diagram (1 Of 3)
G07114323Courtesy of © TOYOTA, LICENSE AGREEMENT TMS1002
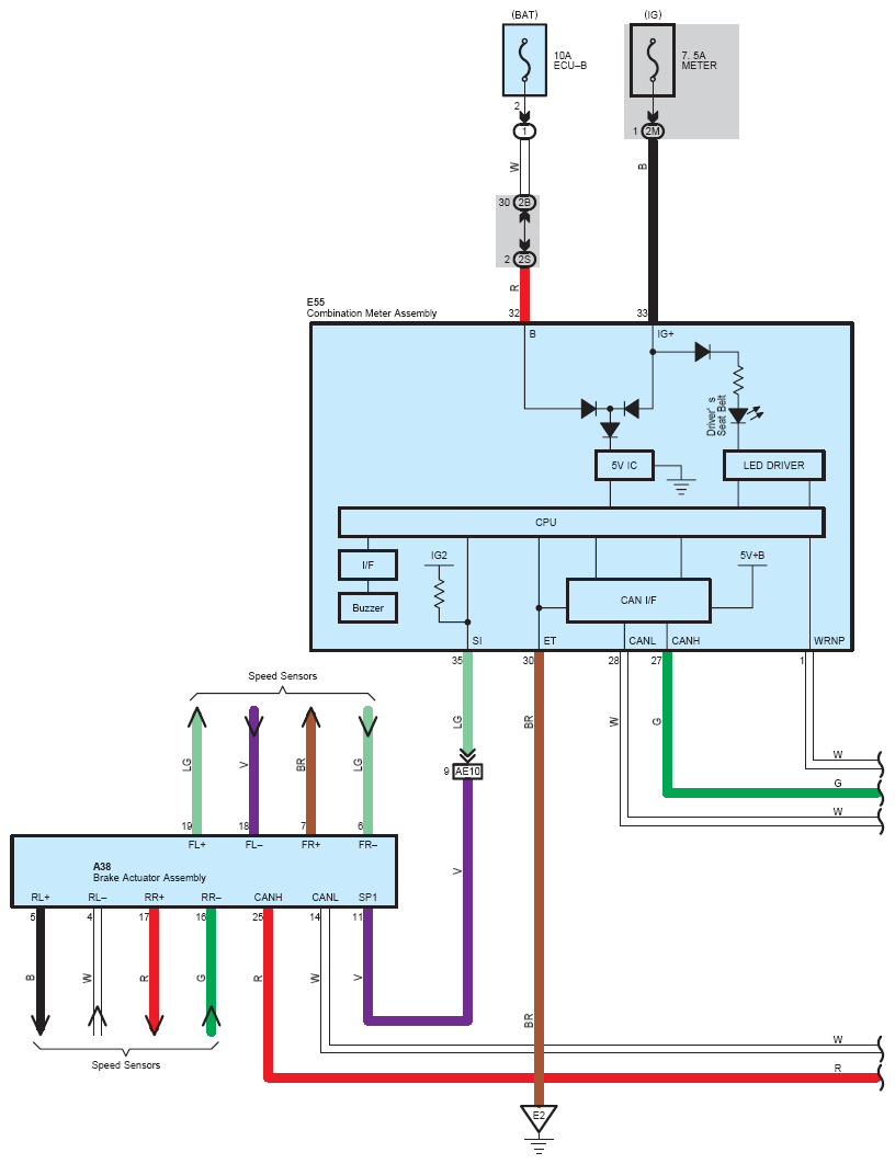
Fig 2: Seat Belt Warning System Wiring Diagram (2 Of 3)
G07114324Courtesy of © TOYOTA, LICENSE AGREEMENT TMS1002
Fig 3: Seat Belt Warning System Wiring Diagram (3 Of 3)
G07114325Courtesy of © TOYOTA, LICENSE AGREEMENT TMS1002