lemon-mirror:
Home >> Toyota >> 2011 >> Matrix Base, Automatic >> Repair and Diagnosis >> Engine Performance >> Engine Control Systems >> Emission Control System (2ZR-FE) (Service Information) >> PCV Valve >> Components >> Illustration

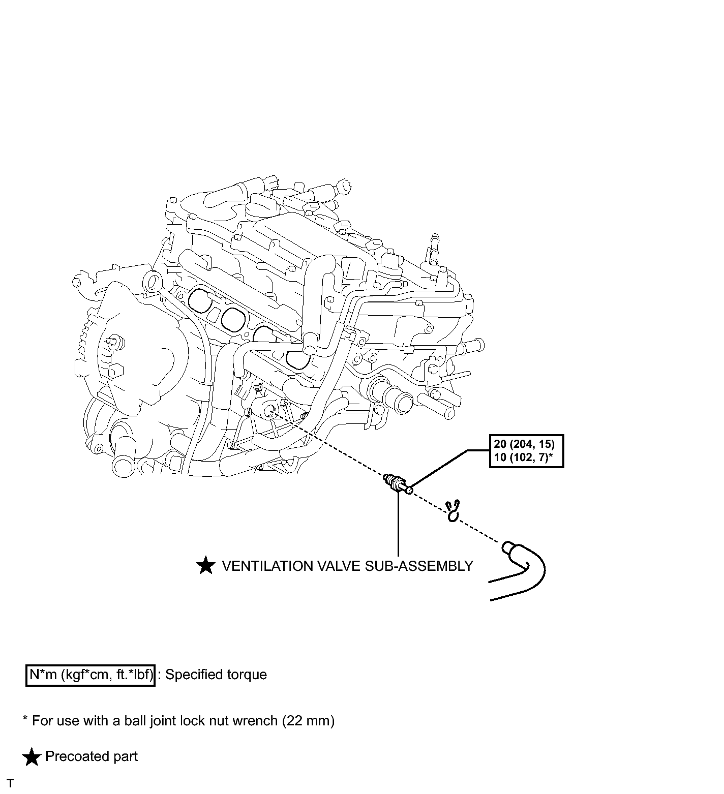
PCV Valve: Components: Illustration

Fig 1: Identifying PCV Valve Replacement Components With Torque Specifications
GTY193784Courtesy of © TOYOTA, LICENSE AGREEMENT TMS1002