lemon-mirror:
Home >> Toyota >> 2011 >> Prius >> Repair and Diagnosis >> Electrical >> Body Electrical >> OEM System Circuits >> Lane Keeping Assist >> Notes

Lane Keeping Assist: Notes

Fig 1: Lane Keeping Assist System Wiring Diagram (1 Of 8)
G07116882Courtesy of © TOYOTA, LICENSE AGREEMENT TMS1002
Fig 2: Lane Keeping Assist System Wiring Diagram (2 Of 8)
G07116883Courtesy of © TOYOTA, LICENSE AGREEMENT TMS1002
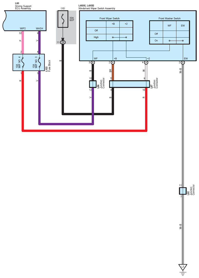
Fig 3: Lane Keeping Assist System Wiring Diagram (3 Of 8)
G07116884Courtesy of © TOYOTA, LICENSE AGREEMENT TMS1002
Fig 4: Lane Keeping Assist System Wiring Diagram (4 Of 8)
G07116885Courtesy of © TOYOTA, LICENSE AGREEMENT TMS1002
Fig 5: Lane Keeping Assist System Wiring Diagram (5 Of 8)
G07116886Courtesy of © TOYOTA, LICENSE AGREEMENT TMS1002
Fig 6: Lane Keeping Assist System Wiring Diagram (6 Of 8)
G07116887Courtesy of © TOYOTA, LICENSE AGREEMENT TMS1002
Fig 7: Lane Keeping Assist System Wiring Diagram (7 Of 8)
G07116888Courtesy of © TOYOTA, LICENSE AGREEMENT TMS1002
Fig 8: Lane Keeping Assist System Wiring Diagram (8 Of 8)
G07116889Courtesy of © TOYOTA, LICENSE AGREEMENT TMS1002