lemon-mirror:
Home >> Toyota >> 2011 >> Prius >> Repair and Diagnosis >> Electrical >> Body Electrical >> OEM System Circuits >> Power Outlet >> Notes

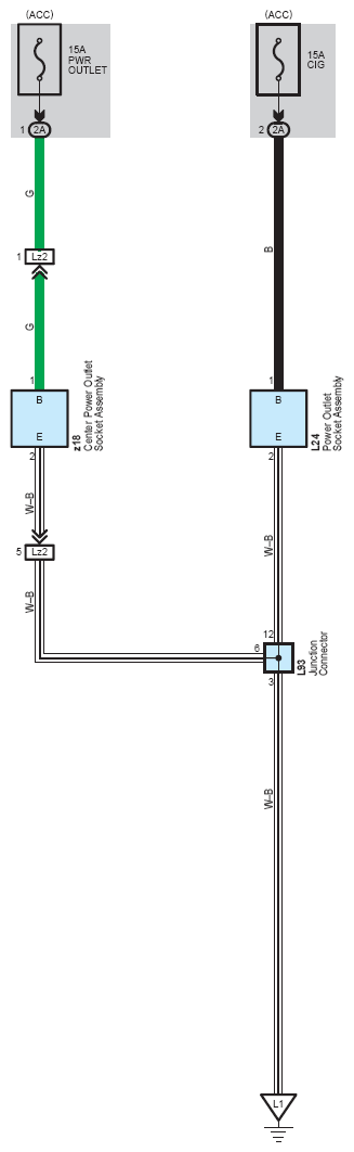
Power Outlet: Notes

Fig 1: Power Outlet System Wiring Diagram
G07116913Courtesy of © TOYOTA, LICENSE AGREEMENT TMS1002