lemon-mirror:
Home >> Toyota >> 2011 >> Prius >> Repair and Diagnosis >> Electrical >> Body Electrical >> OEM System Circuits >> Pre-Collision System >> Notes

Pre-Collision System: Notes

Fig 1: Pre-Collision System Wiring Diagram (1 Of 8)
G07116874Courtesy of © TOYOTA, LICENSE AGREEMENT TMS1002
Fig 2: Pre-Collision System Wiring Diagram (2 Of 8)
G07116875Courtesy of © TOYOTA, LICENSE AGREEMENT TMS1002
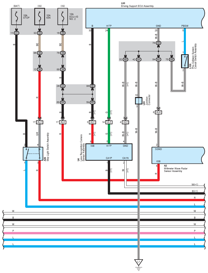
Fig 3: Pre-Collision System Wiring Diagram (3 Of 8)
G07116876Courtesy of © TOYOTA, LICENSE AGREEMENT TMS1002
Fig 4: Pre-Collision System Wiring Diagram (4 Of 8)
G07116877Courtesy of © TOYOTA, LICENSE AGREEMENT TMS1002
Fig 5: Pre-Collision System Wiring Diagram (5 Of 8)
G07116878Courtesy of © TOYOTA, LICENSE AGREEMENT TMS1002
Fig 6: Pre-Collision System Wiring Diagram (6 Of 8)
G07116879Courtesy of © TOYOTA, LICENSE AGREEMENT TMS1002
Fig 7: Pre-Collision System Wiring Diagram (7 Of 8)
G07116880Courtesy of © TOYOTA, LICENSE AGREEMENT TMS1002
Fig 8: Pre-Collision System Wiring Diagram (8 Of 8)
G07116881Courtesy of © TOYOTA, LICENSE AGREEMENT TMS1002