lemon-mirror:
Home >> Toyota >> 2011 >> Prius >> Repair and Diagnosis >> Electrical >> Body Electrical >> OEM System Circuits >> Seat Heater >> Notes

Seat Heater: Notes

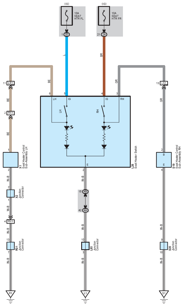
Fig 1: Seat Heater System Wiring Diagram
G07116917Courtesy of © TOYOTA, LICENSE AGREEMENT TMS1002