lemon-mirror:
Home >> Toyota >> 2011 >> Sienna SE >> Repair and Diagnosis >> Electrical >> Body Electrical >> OEM System Circuits >> AWD >> Notes

OEM System Circuits: AWD: Notes

Fig 1: AWD System Wiring Diagram (1 Of 5)
G07113048Courtesy of © TOYOTA, LICENSE AGREEMENT TMS1002
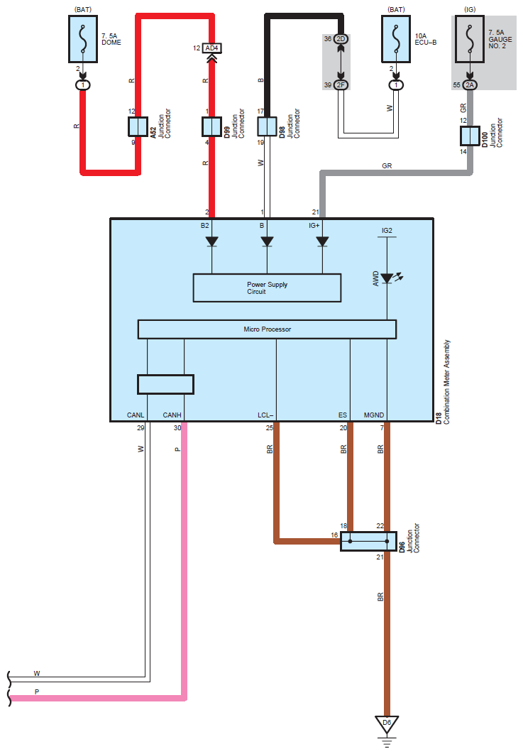
Fig 2: AWD System Wiring Diagram (2 Of 5)
G07113049Courtesy of © TOYOTA, LICENSE AGREEMENT TMS1002
Fig 3: AWD System Wiring Diagram (3 Of 5)
G07113050Courtesy of © TOYOTA, LICENSE AGREEMENT TMS1002
Fig 4: AWD System Wiring Diagram (4 Of 5)
G07113051Courtesy of © TOYOTA, LICENSE AGREEMENT TMS1002
Fig 5: AWD System Wiring Diagram (5 Of 5)
G07113052Courtesy of © TOYOTA, LICENSE AGREEMENT TMS1002