lemon-mirror:
Home >> Toyota >> 2011 >> Sienna SE >> Repair and Diagnosis >> Electrical >> Body Electrical >> OEM System Circuits >> Charging >> Notes

OEM System Circuits: Charging: Notes

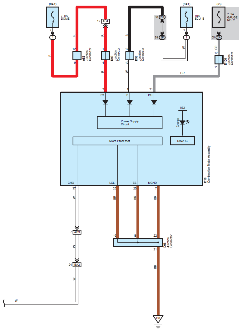
Fig 1: Charging System Wiring Diagram (1 Of 2)
G07112851Courtesy of © TOYOTA, LICENSE AGREEMENT TMS1002
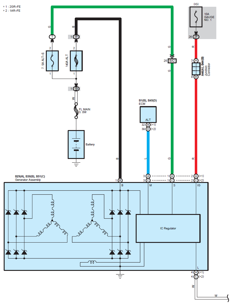
Fig 2: Charging System Wiring Diagram (2 Of 2)
G07112852Courtesy of © TOYOTA, LICENSE AGREEMENT TMS1002