lemon-mirror:
Home >> Toyota >> 2011 >> Sienna SE >> Repair and Diagnosis >> Electrical >> Body Electrical >> OEM System Circuits >> EPS >> Notes

OEM System Circuits: EPS: Notes

Fig 1: EPS System Wiring Diagram (1 Of 3)
G07113067Courtesy of © TOYOTA, LICENSE AGREEMENT TMS1002
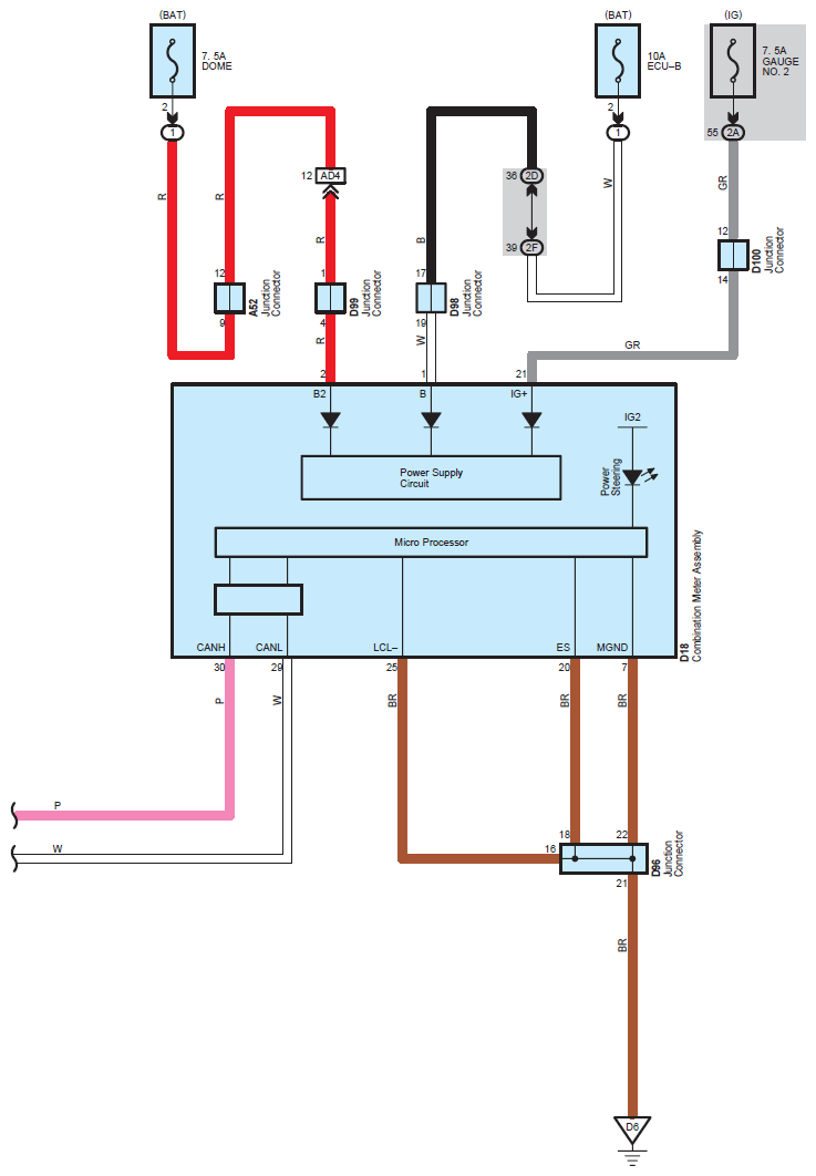
Fig 2: EPS System Wiring Diagram (2 Of 3)
G07113068Courtesy of © TOYOTA, LICENSE AGREEMENT TMS1002
Fig 3: EPS System Wiring Diagram (3 Of 3)
G07113069Courtesy of © TOYOTA, LICENSE AGREEMENT TMS1002