lemon-mirror:
Home >> Toyota >> 2011 >> Sienna SE >> Repair and Diagnosis >> Electrical >> Body Electrical >> OEM System Circuits >> Power Source >> Notes

Power Source: Notes

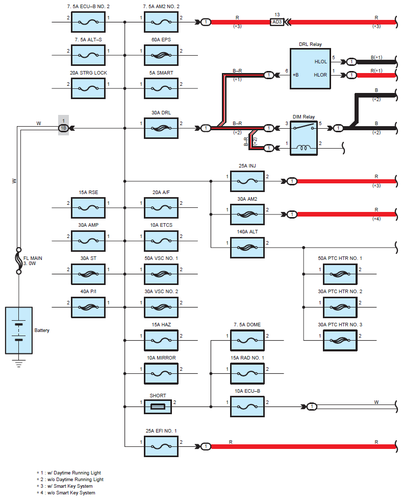
Fig 1: Power Source System Wiring Diagram (1 Of 7)
G07112820Courtesy of © TOYOTA, LICENSE AGREEMENT TMS1002
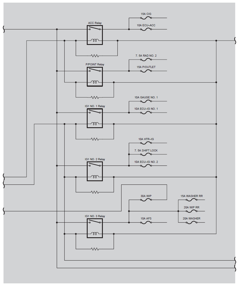
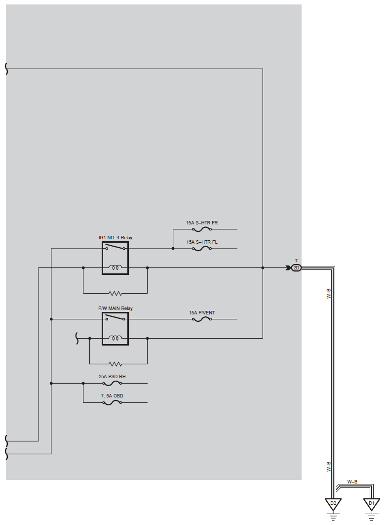
Fig 2: Power Source System Wiring Diagram (2 Of 7)
G07112821Courtesy of © TOYOTA, LICENSE AGREEMENT TMS1002
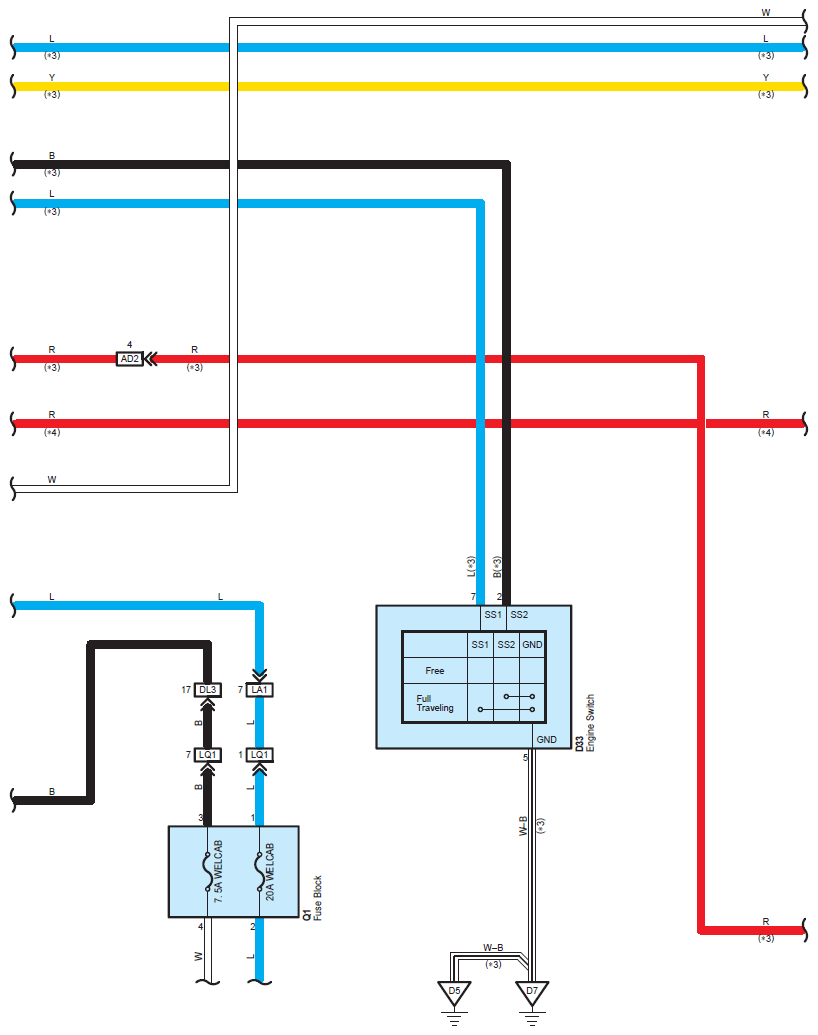
Fig 3: Power Source System Wiring Diagram (3 Of 7)
G07112822Courtesy of © TOYOTA, LICENSE AGREEMENT TMS1002
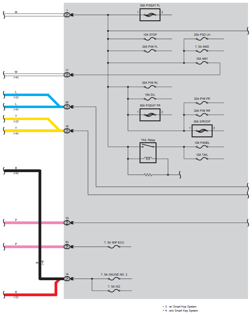
Fig 4: Power Source System Wiring Diagram (4 Of 7)
G07112823Courtesy of © TOYOTA, LICENSE AGREEMENT TMS1002
Fig 5: Power Source System Wiring Diagram (5 Of 7)
G07112824Courtesy of © TOYOTA, LICENSE AGREEMENT TMS1002
Fig 6: Power Source System Wiring Diagram (6 Of 7)
G07112825Courtesy of © TOYOTA, LICENSE AGREEMENT TMS1002
Fig 7: Power Source System Wiring Diagram (7 Of 7)
G07112826Courtesy of © TOYOTA, LICENSE AGREEMENT TMS1002