lemon-mirror:
Home >> Toyota >> 2011 >> Sienna SE >> Repair and Diagnosis >> Electrical >> Body Electrical >> OEM System Circuits >> Safety Connect >> Notes

Safety Connect: Notes

Fig 1: Safety Connect System Wiring Diagram (1 Of 3)
G07113115Courtesy of © TOYOTA, LICENSE AGREEMENT TMS1002
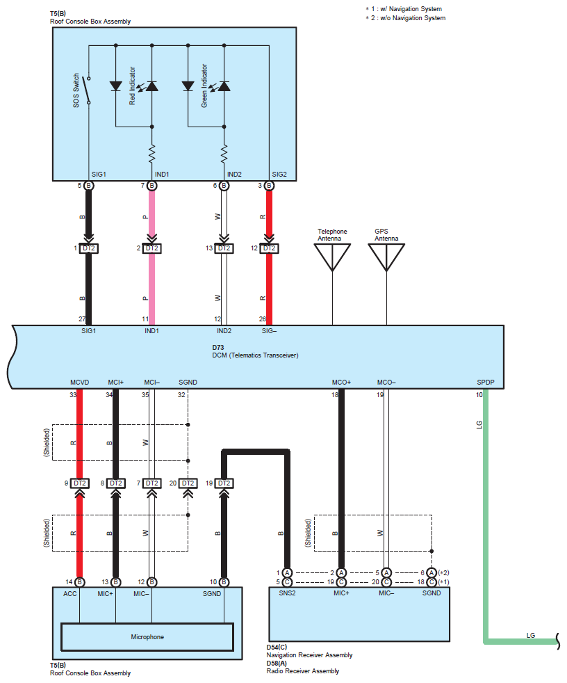
Fig 2: Safety Connect System Wiring Diagram (2 Of 3)
G07113116Courtesy of © TOYOTA, LICENSE AGREEMENT TMS1002
Fig 3: Safety Connect System Wiring Diagram (3 Of 3)
G07113117Courtesy of © TOYOTA, LICENSE AGREEMENT TMS1002