lemon-mirror:
Home >> Toyota >> 2011 >> Sienna SE >> Repair and Diagnosis >> Electrical >> Body Electrical >> OEM System Circuits >> Smart Key System >> Notes

Smart Key System: Notes

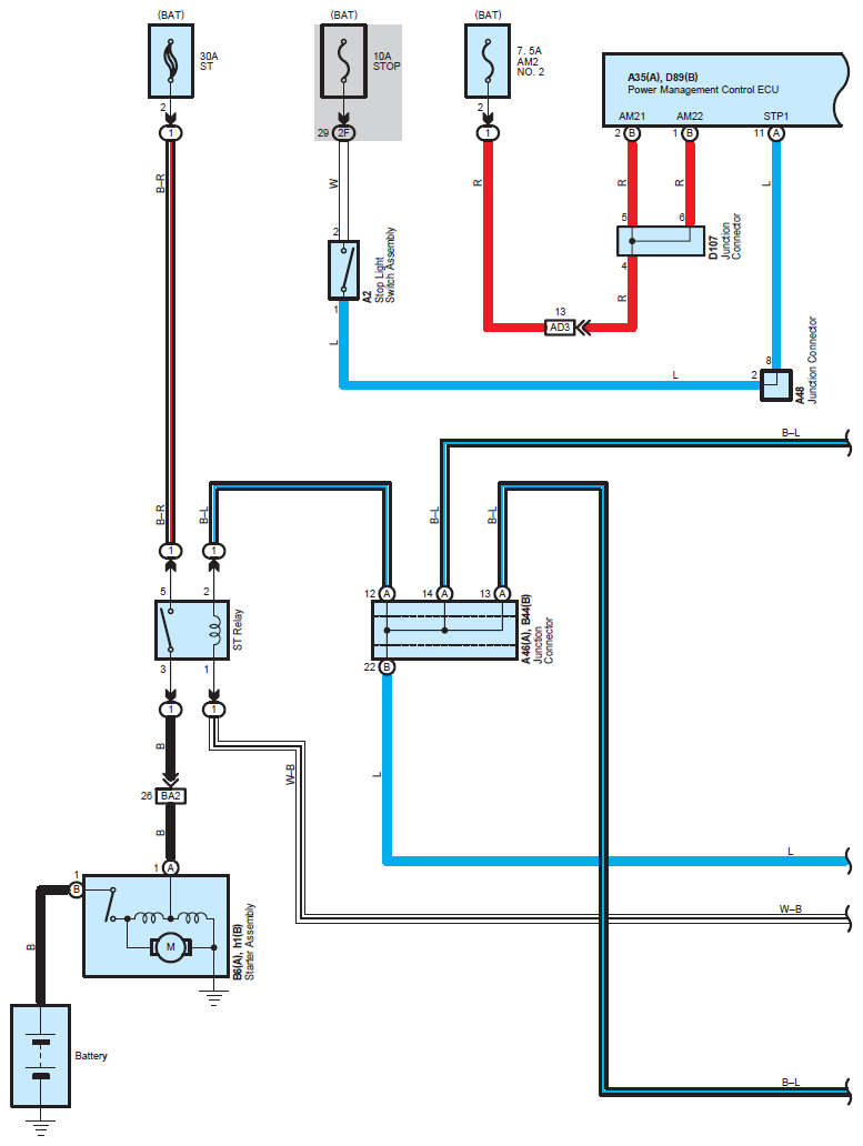
Fig 1: Smart Key System Wiring Diagram (1 Of 16)
G07112827Courtesy of © TOYOTA, LICENSE AGREEMENT TMS1002
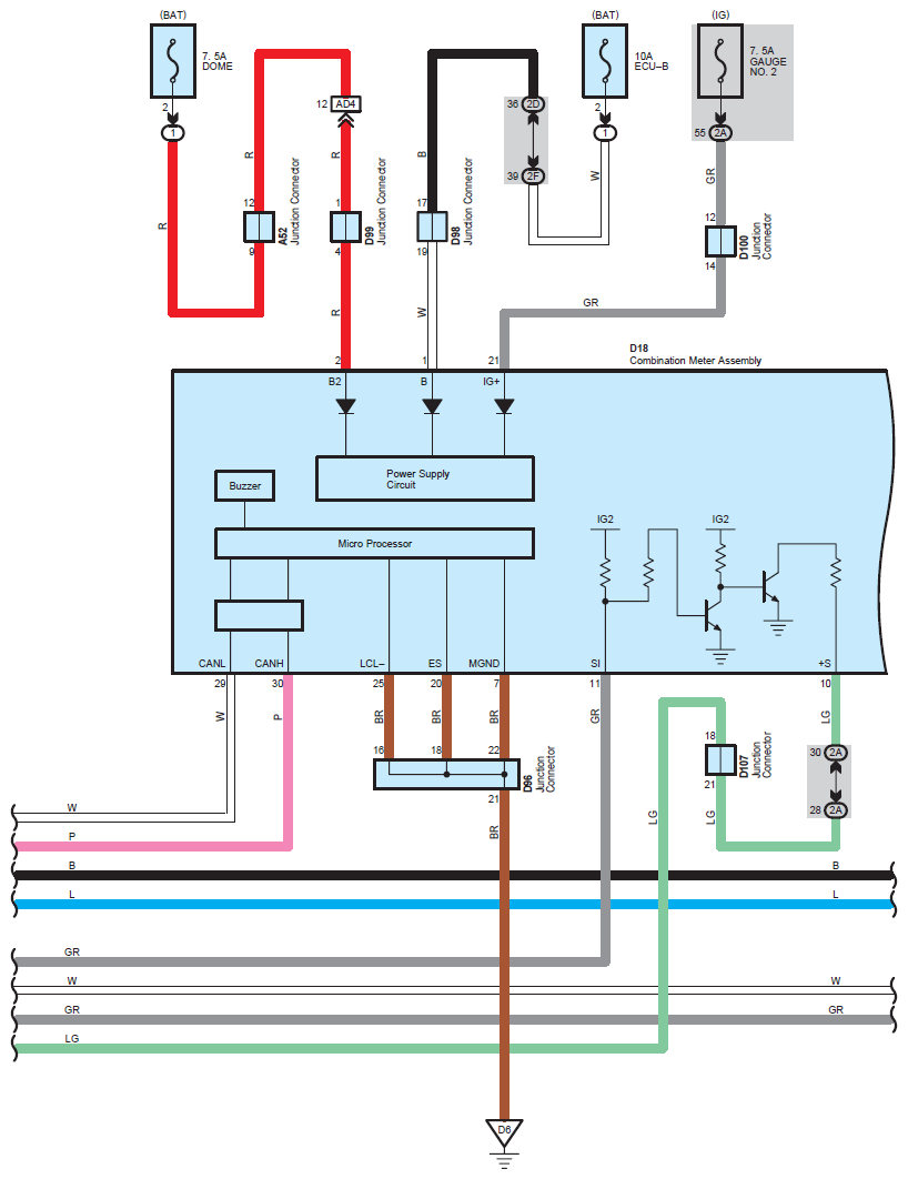
Fig 2: Smart Key System Wiring Diagram (2 Of 16)
G07112828Courtesy of © TOYOTA, LICENSE AGREEMENT TMS1002
Fig 3: Smart Key System Wiring Diagram (3 Of 16)
G07112829Courtesy of © TOYOTA, LICENSE AGREEMENT TMS1002
Fig 4: Smart Key System Wiring Diagram (4 Of 16)
G07112830Courtesy of © TOYOTA, LICENSE AGREEMENT TMS1002
Fig 5: Smart Key System Wiring Diagram (5 Of 16)
G07112831Courtesy of © TOYOTA, LICENSE AGREEMENT TMS1002
Fig 6: Smart Key System Wiring Diagram (6 Of 16)
G07112832Courtesy of © TOYOTA, LICENSE AGREEMENT TMS1002
Fig 7: Smart Key System Wiring Diagram (7 Of 16)
G07112833Courtesy of © TOYOTA, LICENSE AGREEMENT TMS1002
Fig 8: Smart Key System Wiring Diagram (8 Of 16)
G07112834Courtesy of © TOYOTA, LICENSE AGREEMENT TMS1002
Fig 9: Smart Key System Wiring Diagram (9 Of 16)
G07112835Courtesy of © TOYOTA, LICENSE AGREEMENT TMS1002
Fig 10: Smart Key System Wiring Diagram (10 Of 16)
G07112836Courtesy of © TOYOTA, LICENSE AGREEMENT TMS1002
Fig 11: Smart Key System Wiring Diagram (11 Of 16)
G07112837Courtesy of © TOYOTA, LICENSE AGREEMENT TMS1002
Fig 12: Smart Key System Wiring Diagram (12 Of 16)
G07112838Courtesy of © TOYOTA, LICENSE AGREEMENT TMS1002
Fig 13: Smart Key System Wiring Diagram (13 Of 16)
G07112839Courtesy of © TOYOTA, LICENSE AGREEMENT TMS1002
Fig 14: Smart Key System Wiring Diagram (14 Of 16)
G07112840Courtesy of © TOYOTA, LICENSE AGREEMENT TMS1002
Fig 15: Smart Key System Wiring Diagram (15 Of 16)
G07112841Courtesy of © TOYOTA, LICENSE AGREEMENT TMS1002
Fig 16: Smart Key System Wiring Diagram (16 Of 16)
G07112842Courtesy of © TOYOTA, LICENSE AGREEMENT TMS1002