lemon-mirror:
Home >> Toyota >> 2012 >> 4Runner Trail >> Repair and Diagnosis >> Electrical >> Body Electrical >> OEM System Circuits >> Automatic Running Board >> Notes

Automatic Running Board: Notes

Fig 1: Automatic Running Board System Wiring Diagram (1 Of 5)
G08792307Courtesy of © TOYOTA, LICENSE AGREEMENT TMS1002
Fig 2: Automatic Running Board System Wiring Diagram (2 Of 5)
G08792308Courtesy of © TOYOTA, LICENSE AGREEMENT TMS1002
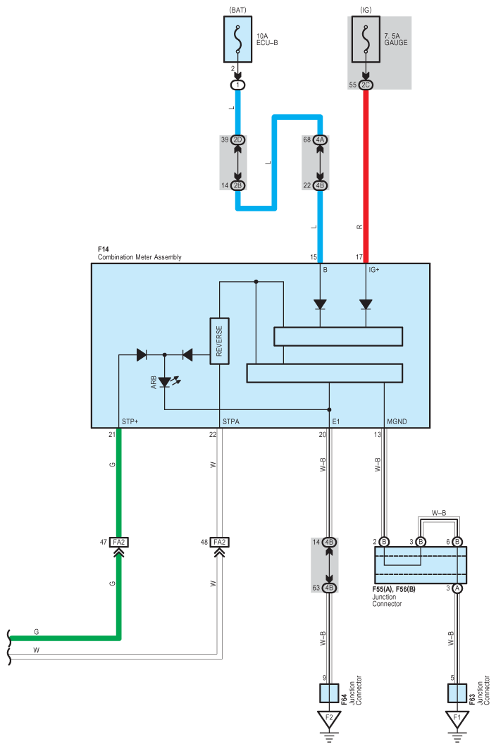
Fig 3: Automatic Running Board System Wiring Diagram (3 Of 5)
G08792309Courtesy of © TOYOTA, LICENSE AGREEMENT TMS1002
Fig 4: Automatic Running Board System Wiring Diagram (4 Of 5)
G08792310Courtesy of © TOYOTA, LICENSE AGREEMENT TMS1002
Fig 5: Automatic Running Board System Wiring Diagram (5 Of 5)
G08792311Courtesy of © TOYOTA, LICENSE AGREEMENT TMS1002