lemon-mirror:
Home >> Toyota >> 2012 >> 4Runner Trail >> Repair and Diagnosis >> Electrical >> Body Electrical >> OEM System Circuits >> Back Door Opener >> Notes

Back Door Opener: Notes

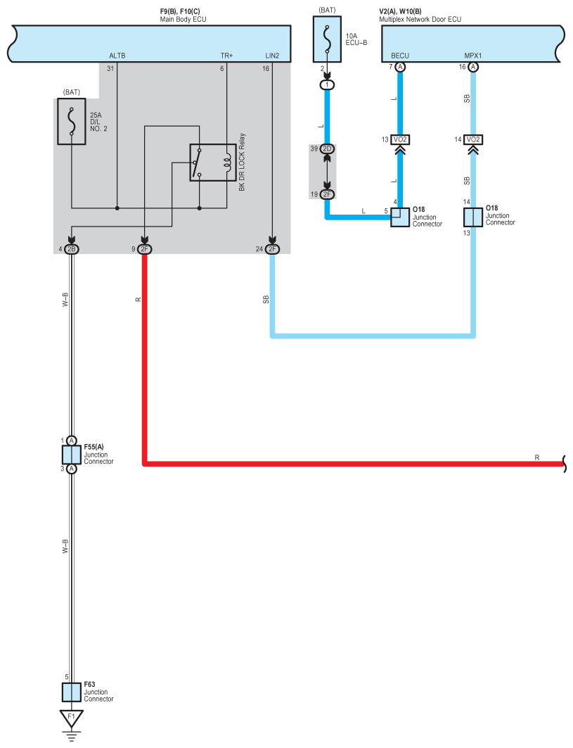
Fig 1: Back Door Opener System Wiring Diagram (1 Of 5)
G08792293Courtesy of © TOYOTA, LICENSE AGREEMENT TMS1002
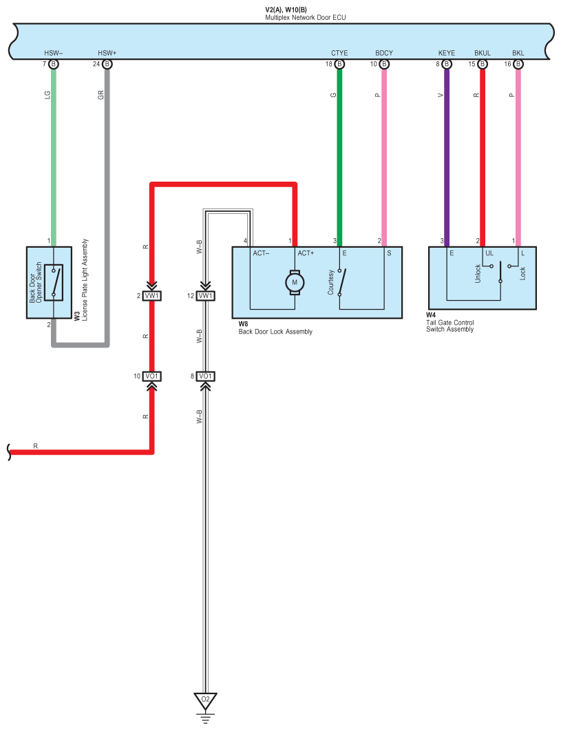
Fig 2: Back Door Opener System Wiring Diagram (2 Of 5)
G08792294Courtesy of © TOYOTA, LICENSE AGREEMENT TMS1002
Fig 3: Back Door Opener System Wiring Diagram (3 Of 5)
G08792295Courtesy of © TOYOTA, LICENSE AGREEMENT TMS1002
Fig 4: Back Door Opener System Wiring Diagram (4 Of 5)
G08792296Courtesy of © TOYOTA, LICENSE AGREEMENT TMS1002
Fig 5: Back Door Opener System Wiring Diagram (5 Of 5)
G08792297Courtesy of © TOYOTA, LICENSE AGREEMENT TMS1002