lemon-mirror:
Home >> Toyota >> 2012 >> 4Runner Trail >> Repair and Diagnosis >> Electrical >> Body Electrical >> OEM System Circuits >> Key Reminder (w/o Smart Key System) >> Notes

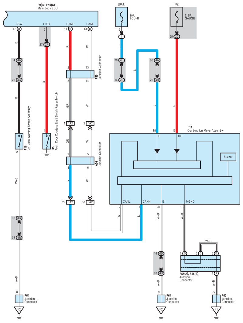
Key Reminder (w/o Smart Key System): Notes

Fig 1: Key Reminder (w/o Smart Key) System Wiring Diagram (1 Of 2)
G08792282Courtesy of © TOYOTA, LICENSE AGREEMENT TMS1002
Fig 2: Key Reminder (w/o Smart Key) System Wiring Diagram (2 Of 2)
G08792283Courtesy of © TOYOTA, LICENSE AGREEMENT TMS1002