lemon-mirror:
Home >> Toyota >> 2012 >> 4Runner Trail >> Repair and Diagnosis >> Electrical >> Body Electrical >> OEM System Circuits >> Kinetic Dynamic Suspension System >> Notes

Kinetic Dynamic Suspension System: Notes

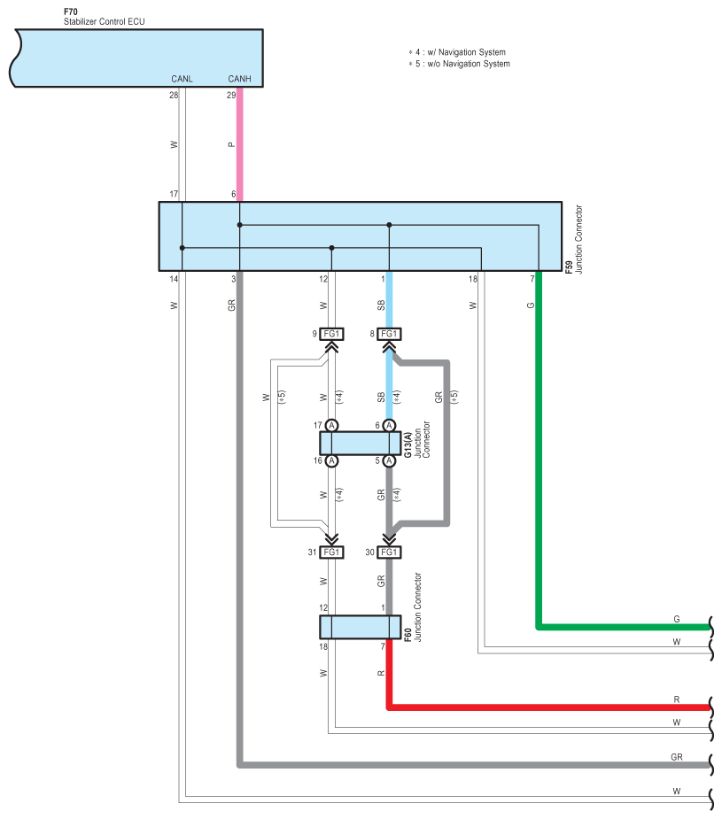
Fig 1: Kinetic Dynamic Suspension System Wiring Diagram (1 Of 5)
G08792346Courtesy of © TOYOTA, LICENSE AGREEMENT TMS1002
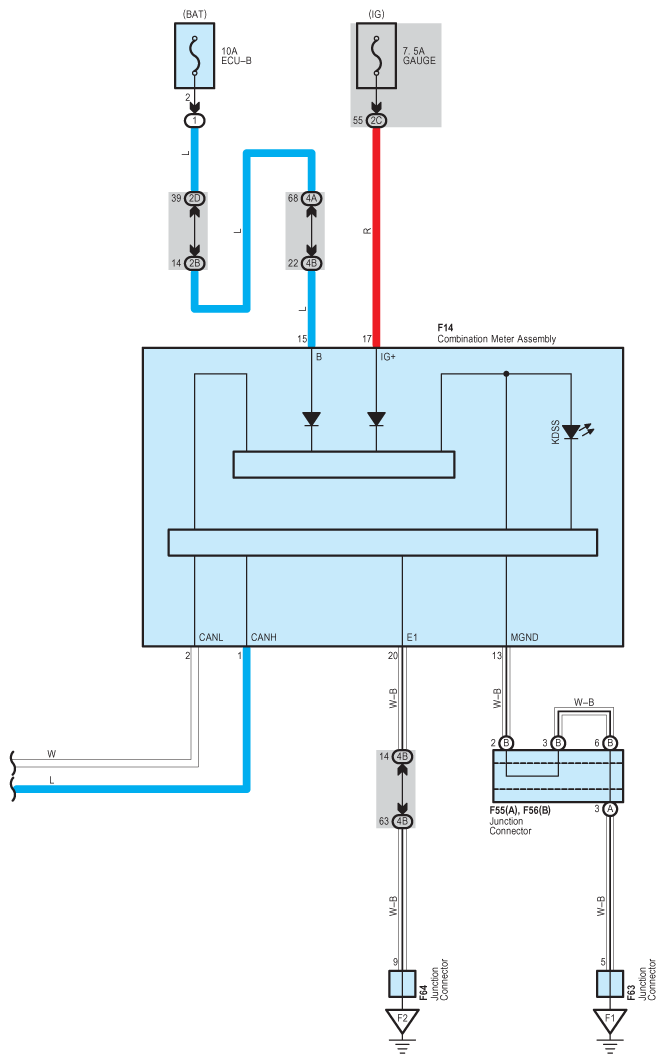
Fig 2: Kinetic Dynamic Suspension System Wiring Diagram (2 Of 5)
G08792347Courtesy of © TOYOTA, LICENSE AGREEMENT TMS1002
Fig 3: Kinetic Dynamic Suspension System Wiring Diagram (3 Of 5)
G08792348Courtesy of © TOYOTA, LICENSE AGREEMENT TMS1002
Fig 4: Kinetic Dynamic Suspension System Wiring Diagram (4 Of 5)
G08792349Courtesy of © TOYOTA, LICENSE AGREEMENT TMS1002
Fig 5: Kinetic Dynamic Suspension System Wiring Diagram (5 Of 5)
G08792350Courtesy of © TOYOTA, LICENSE AGREEMENT TMS1002