lemon-mirror:
Home >> Toyota >> 2012 >> 4Runner Trail >> Repair and Diagnosis >> Electrical >> Body Electrical >> OEM System Circuits >> Power Window >> Notes

Power Window: Notes

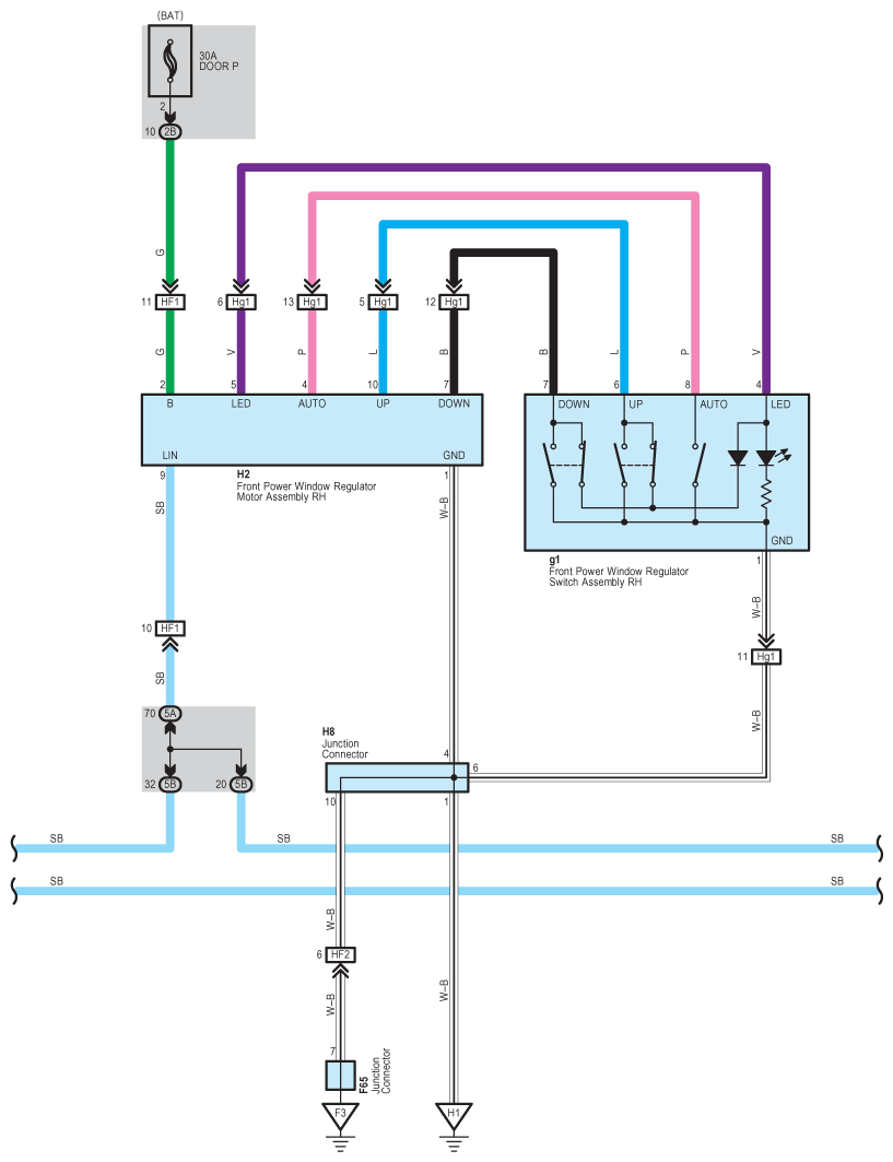
Fig 1: Power Window System Wiring Diagram (1 Of 9)
G08792378Courtesy of © TOYOTA, LICENSE AGREEMENT TMS1002
Fig 2: Power Window System Wiring Diagram (2 Of 9)
G08792379Courtesy of © TOYOTA, LICENSE AGREEMENT TMS1002
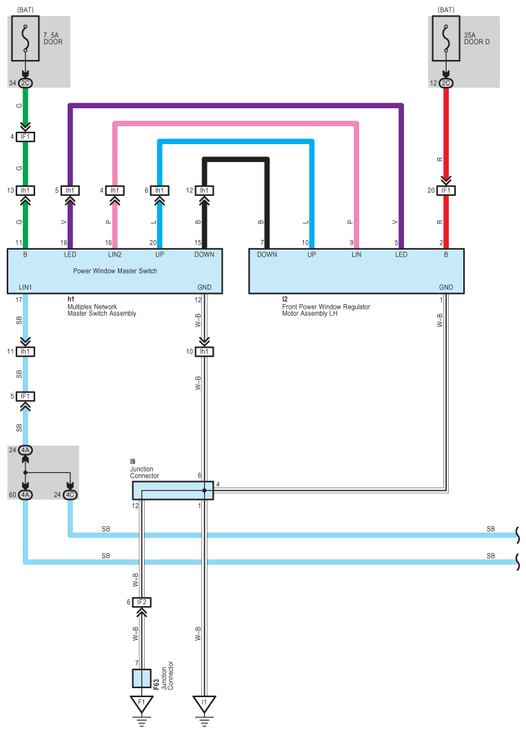
Fig 3: Power Window System Wiring Diagram (3 Of 9)
G08792380Courtesy of © TOYOTA, LICENSE AGREEMENT TMS1002
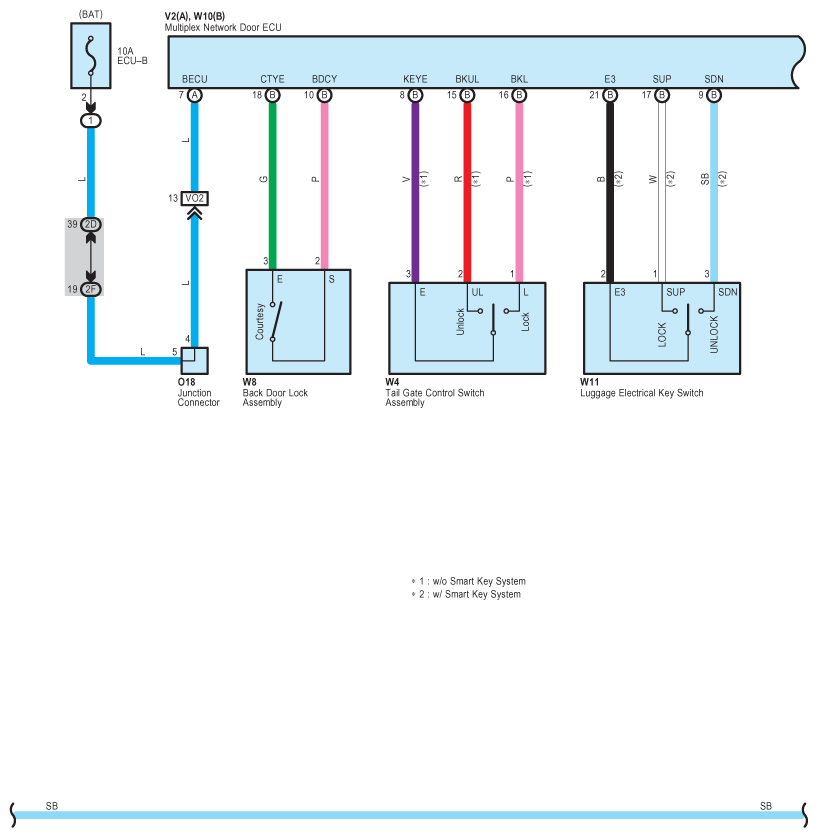
Fig 4: Power Window System Wiring Diagram (4 Of 9)
G08792381Courtesy of © TOYOTA, LICENSE AGREEMENT TMS1002
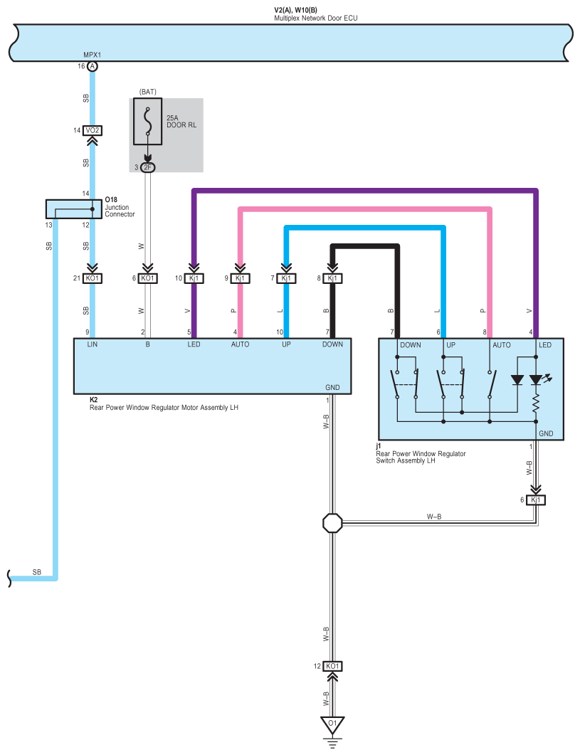
Fig 5: Power Window System Wiring Diagram (5 Of 9)
G08792382Courtesy of © TOYOTA, LICENSE AGREEMENT TMS1002
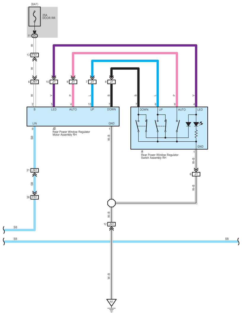
Fig 6: Power Window System Wiring Diagram (6 Of 9)
G08792383Courtesy of © TOYOTA, LICENSE AGREEMENT TMS1002
Fig 7: Power Window System Wiring Diagram (7 Of 9)
G08792384Courtesy of © TOYOTA, LICENSE AGREEMENT TMS1002
Fig 8: Power Window System Wiring Diagram (8 Of 9)
G08792385Courtesy of © TOYOTA, LICENSE AGREEMENT TMS1002
Fig 9: Power Window System Wiring Diagram (9 Of 9)
G08792386Courtesy of © TOYOTA, LICENSE AGREEMENT TMS1002