lemon-mirror:
Home >> Toyota >> 2012 >> Avalon Base >> Repair and Diagnosis >> Electrical >> Body Electrical >> OEM System Circuits >> Back-Up Light >> Notes

Back-Up Light: Notes

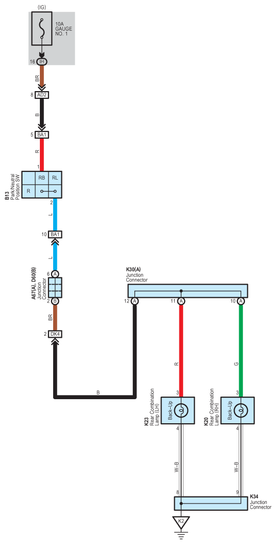
Fig 1: Back-Up Light System Wiring Diagram
G08797375Courtesy of © TOYOTA, LICENSE AGREEMENT TMS1002