lemon-mirror:
Home >> Toyota >> 2012 >> Avalon Base >> Repair and Diagnosis >> Electrical >> Body Electrical >> OEM System Circuits >> Cooling Fan >> Notes

Cooling Fan: Notes

Fig 1: Cooling Fan System Wiring Diagram (1 Of 2)
G08797526Courtesy of © TOYOTA, LICENSE AGREEMENT TMS1002
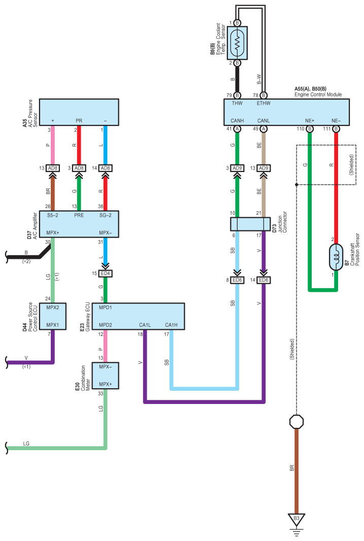
Fig 2: Cooling Fan System Wiring Diagram (2 Of 2)
G08797527Courtesy of © TOYOTA, LICENSE AGREEMENT TMS1002