lemon-mirror:
Home >> Toyota >> 2012 >> Avalon Base >> Repair and Diagnosis >> Electrical >> Body Electrical >> OEM System Circuits >> Headlight >> Notes

OEM System Circuits: Headlight: Notes

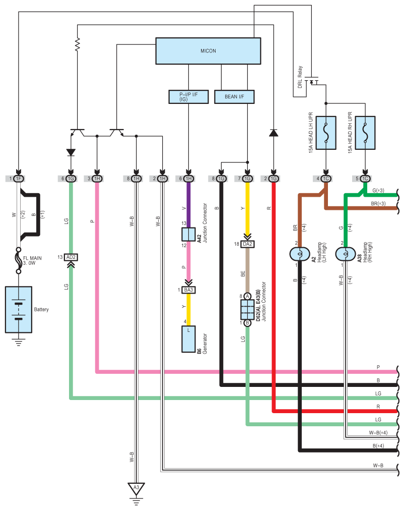
Fig 1: Headlight System Wiring Diagram (1 Of 6)
G08797329Courtesy of © TOYOTA, LICENSE AGREEMENT TMS1002
Fig 2: Headlight System Wiring Diagram (2 Of 6)
G08797330Courtesy of © TOYOTA, LICENSE AGREEMENT TMS1002
Fig 3: Headlight System Wiring Diagram (3 Of 6)
G08797331Courtesy of © TOYOTA, LICENSE AGREEMENT TMS1002
Fig 4: Headlight System Wiring Diagram (4 Of 6)
G08797332Courtesy of © TOYOTA, LICENSE AGREEMENT TMS1002
Fig 5: Headlight System Wiring Diagram (5 Of 6)
G08797333Courtesy of © TOYOTA, LICENSE AGREEMENT TMS1002
Fig 6: Headlight System Wiring Diagram (6 Of 6)
G08797334Courtesy of © TOYOTA, LICENSE AGREEMENT TMS1002