lemon-mirror:
Home >> Toyota >> 2012 >> Avalon Base >> Repair and Diagnosis >> Electrical >> Body Electrical >> OEM System Circuits >> Interior Light >> Notes

Interior Light: Notes

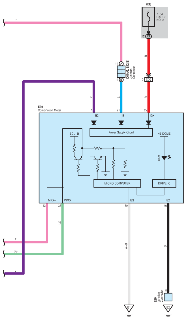
Fig 1: Interior Light System Wiring Diagram (1 Of 7)
G08797353Courtesy of © TOYOTA, LICENSE AGREEMENT TMS1002
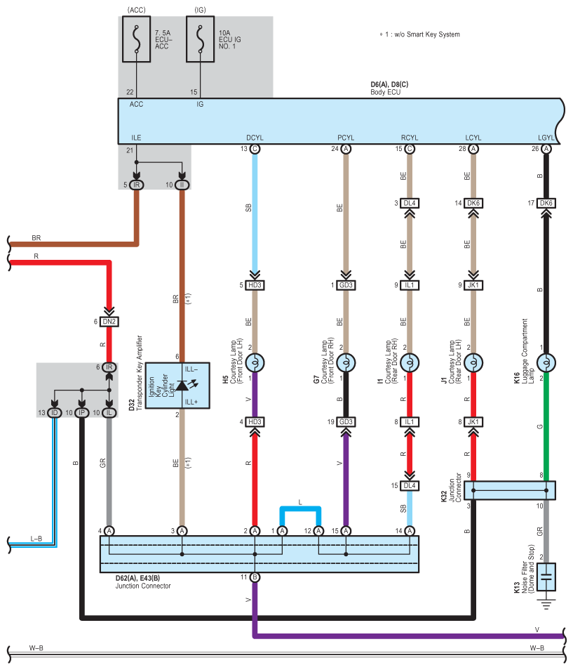
Fig 2: Interior Light System Wiring Diagram (2 Of 7)
G08797354Courtesy of © TOYOTA, LICENSE AGREEMENT TMS1002
Fig 3: Interior Light System Wiring Diagram (3 Of 7)
G08797355Courtesy of © TOYOTA, LICENSE AGREEMENT TMS1002
Fig 4: Interior Light System Wiring Diagram (4 Of 7)
G08797356Courtesy of © TOYOTA, LICENSE AGREEMENT TMS1002
Fig 5: Interior Light System Wiring Diagram (5 Of 7)
G08797357Courtesy of © TOYOTA, LICENSE AGREEMENT TMS1002
Fig 6: Interior Light System Wiring Diagram (6 Of 7)
G08797358Courtesy of © TOYOTA, LICENSE AGREEMENT TMS1002
Fig 7: Interior Light System Wiring Diagram (7 Of 7)
G08797359Courtesy of © TOYOTA, LICENSE AGREEMENT TMS1002