lemon-mirror:
Home >> Toyota >> 2012 >> Avalon Base >> Repair and Diagnosis >> Electrical >> Body Electrical >> OEM System Circuits >> Key Reminder (w/o Smart Key System) >> Notes

Key Reminder (w/o Smart Key System): Notes

Fig 1: Key Reminder (w/o Smart Key System) System Wiring Diagram (1 Of 2)
G08797376Courtesy of © TOYOTA, LICENSE AGREEMENT TMS1002
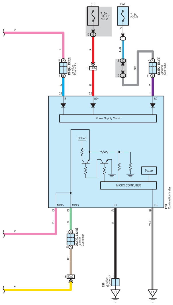
Fig 2: Key Reminder (w/o Smart Key System) System Wiring Diagram (2 Of 2)
G08797377Courtesy of © TOYOTA, LICENSE AGREEMENT TMS1002