lemon-mirror:
Home >> Toyota >> 2012 >> Avalon Base >> Repair and Diagnosis >> Electrical >> Body Electrical >> OEM System Circuits >> Rear Sunshade >> Notes

Rear Sunshade: Notes

Fig 1: Rear Sunshade System Wiring Diagram (1 Of 3)
G08797494Courtesy of © TOYOTA, LICENSE AGREEMENT TMS1002
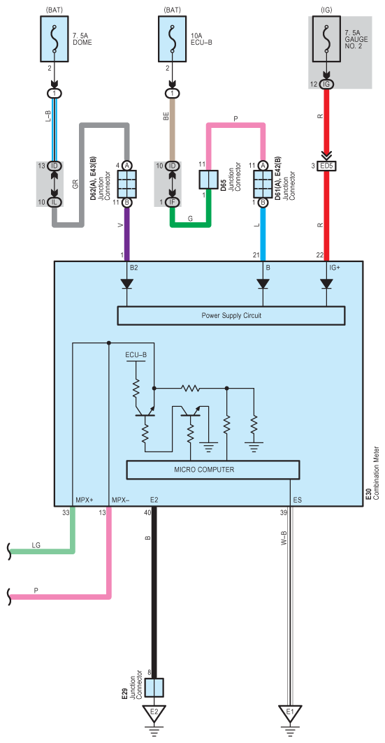
Fig 2: Rear Sunshade System Wiring Diagram (2 Of 3)
G08797495Courtesy of © TOYOTA, LICENSE AGREEMENT TMS1002
Fig 3: Rear Sunshade System Wiring Diagram (3 Of 3)
G08797496Courtesy of © TOYOTA, LICENSE AGREEMENT TMS1002