lemon-mirror:
Home >> Toyota >> 2012 >> Corolla Base, Automatic Trans >> Repair and Diagnosis >> Electrical >> Body Electrical >> OEM System Circuits >> Door Lock Control (TMC Made) >> Notes

Door Lock Control (TMC Made): Notes

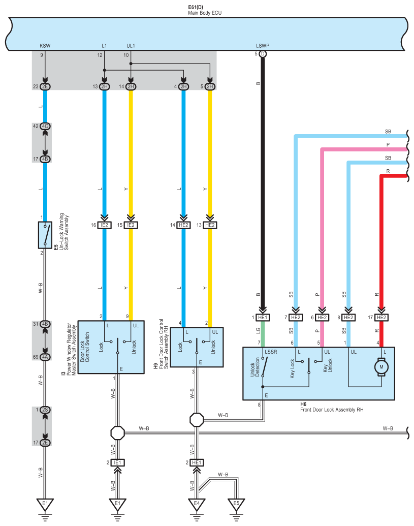
Fig 1: Door Lock Control System Wiring Diagram (TMC Made; 1 Of 4)
G08842795Courtesy of © TOYOTA, LICENSE AGREEMENT TMS1002
Fig 2: Door Lock Control System Wiring Diagram (TMC Made; 2 Of 4)
G08842796Courtesy of © TOYOTA, LICENSE AGREEMENT TMS1002
Fig 3: Door Lock Control System Wiring Diagram (TMC Made; 3 Of 4)
G08842797Courtesy of © TOYOTA, LICENSE AGREEMENT TMS1002
Fig 4: Door Lock Control System Wiring Diagram (TMC Made; 4 Of 4)
G08842798Courtesy of © TOYOTA, LICENSE AGREEMENT TMS1002