lemon-mirror:
Home >> Toyota >> 2012 >> Corolla Base, Automatic Trans >> Repair and Diagnosis >> Electrical >> Body Electrical >> OEM System Circuits >> Ignition (TMC Made) >> Notes

Ignition (TMC Made): Notes

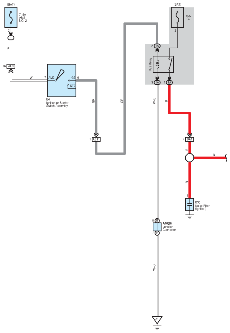
Fig 1: Ignition System Wiring Diagram (TMC Made; 1 Of 2)
G08842724Courtesy of © TOYOTA, LICENSE AGREEMENT TMS1002
Fig 2: Ignition System Wiring Diagram (TMC Made; 2 Of 2)
G08842725Courtesy of © TOYOTA, LICENSE AGREEMENT TMS1002