lemon-mirror:
Home >> Toyota >> 2012 >> Corolla Base, Automatic Trans >> Repair and Diagnosis >> Electrical >> Body Electrical >> OEM System Circuits >> Power Source (TMC Made) >> Notes

Power Source (TMC Made): Notes

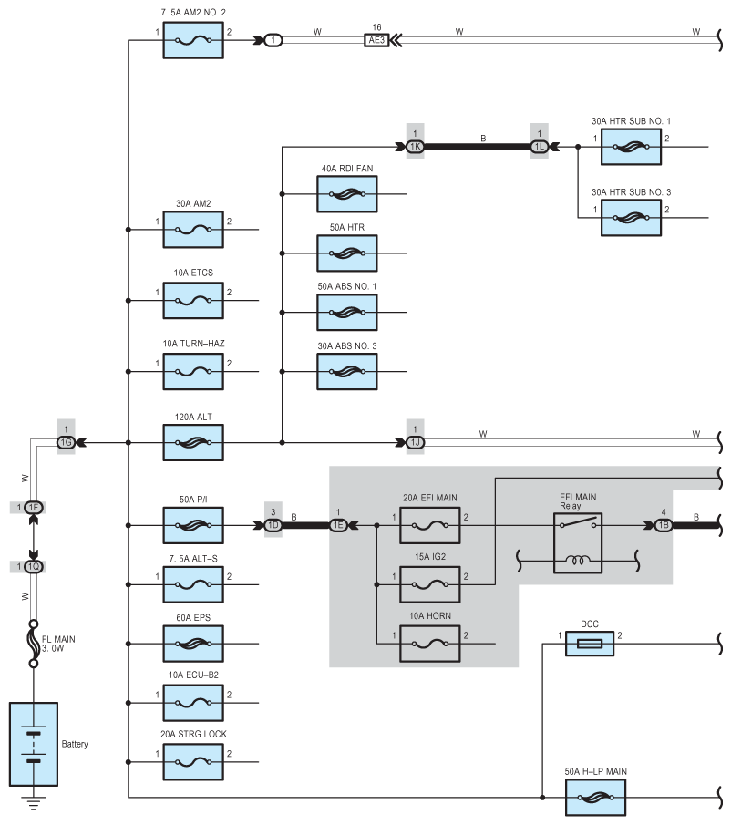
Fig 1: Power Source System Wiring Diagram (TMC Made; 1 Of 4)
G08842716Courtesy of © TOYOTA, LICENSE AGREEMENT TMS1002
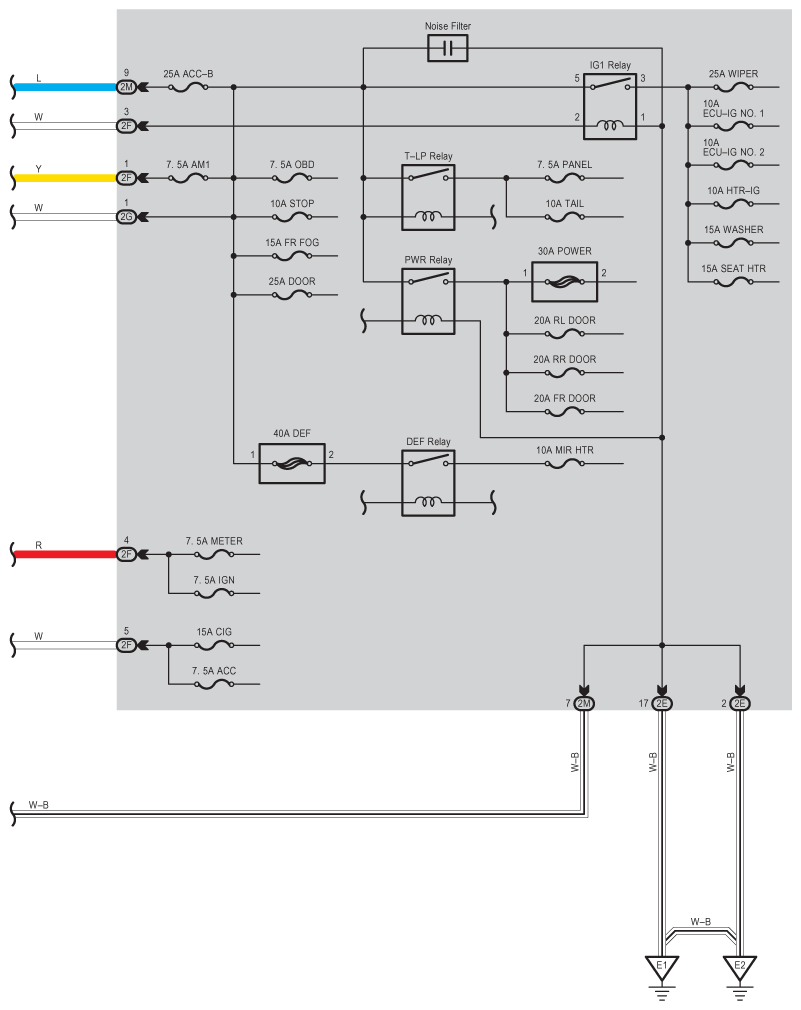
Fig 2: Power Source System Wiring Diagram (TMC Made; 2 Of 4)
G08842717Courtesy of © TOYOTA, LICENSE AGREEMENT TMS1002
Fig 3: Power Source System Wiring Diagram (TMC Made; 3 Of 4)
G08842718Courtesy of © TOYOTA, LICENSE AGREEMENT TMS1002
Fig 4: Power Source System Wiring Diagram (TMC Made; 4 Of 4)
G08842719Courtesy of © TOYOTA, LICENSE AGREEMENT TMS1002