lemon-mirror:
Home >> Toyota >> 2012 >> Corolla Base, Automatic Trans >> Repair and Diagnosis >> Electrical >> Body Electrical >> OEM System Circuits >> Power Window (Except TMC Made) >> Notes

Power Window (Except TMC Made): Notes

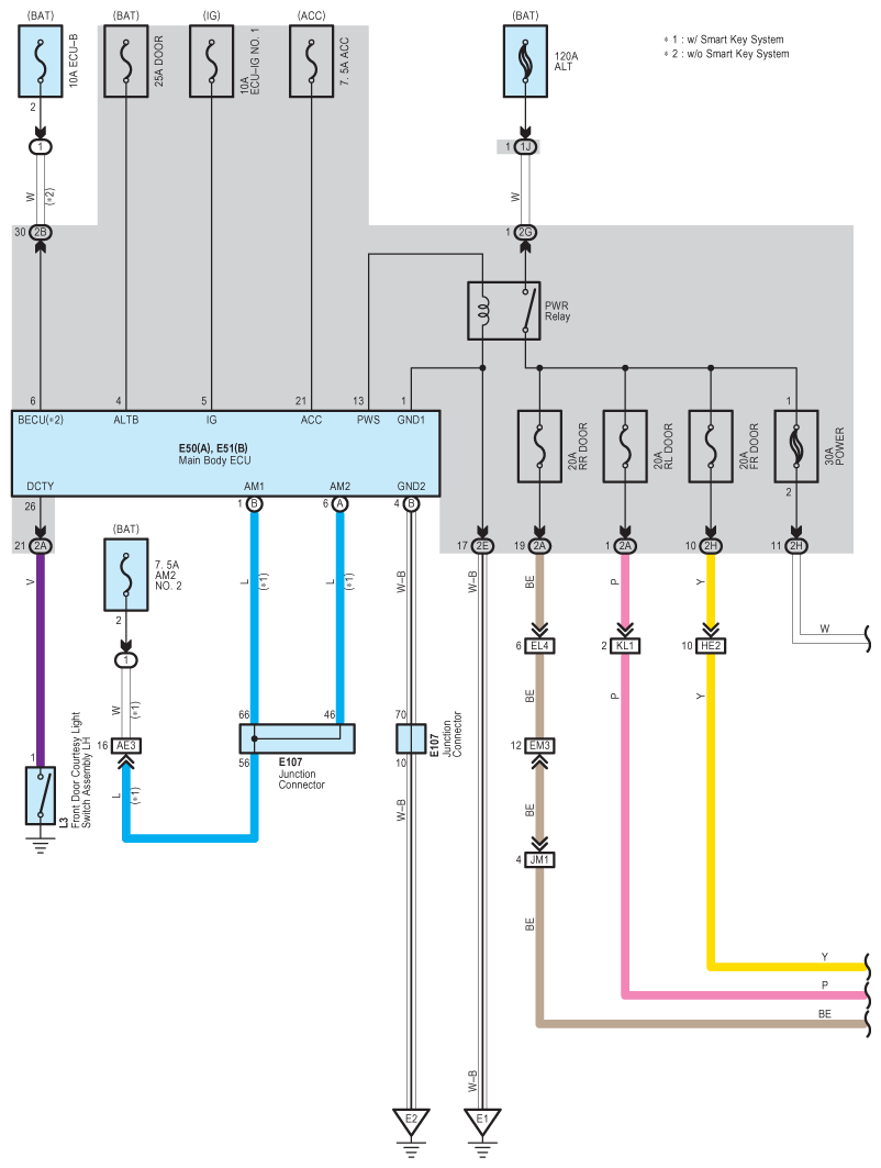
Fig 1: Power Window System Wiring Diagram (Except TMC Made; 1 Of 3)
G08842974Courtesy of © TOYOTA, LICENSE AGREEMENT TMS1002
Fig 2: Power Window System Wiring Diagram (Except TMC Made; 2 Of 3)
G08842975Courtesy of © TOYOTA, LICENSE AGREEMENT TMS1002
Fig 3: Power Window System Wiring Diagram (Except TMC Made; 3 Of 3)
G08842976Courtesy of © TOYOTA, LICENSE AGREEMENT TMS1002