lemon-mirror:
Home >> Toyota >> 2012 >> Corolla Base, Automatic Trans >> Repair and Diagnosis >> Electrical >> Body Electrical >> OEM System Circuits >> Power Window (TMC Made) >> Notes

Power Window (TMC Made): Notes

Fig 1: Power Window System Wiring Diagram (TMC Made; 1 Of 3)
G08842803Courtesy of © TOYOTA, LICENSE AGREEMENT TMS1002
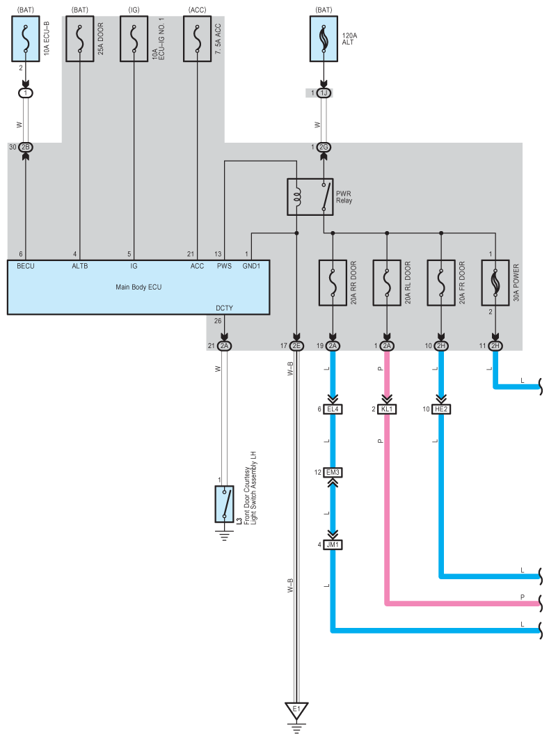
Fig 2: Power Window System Wiring Diagram (TMC Made; 2 Of 3)
G08842804Courtesy of © TOYOTA, LICENSE AGREEMENT TMS1002
Fig 3: Power Window System Wiring Diagram (TMC Made; 3 Of 3)
G08842805Courtesy of © TOYOTA, LICENSE AGREEMENT TMS1002