lemon-mirror:
Home >> Toyota >> 2012 >> Corolla Base, Automatic Trans >> Repair and Diagnosis >> Electrical >> Body Electrical >> OEM System Circuits >> Shift Lock (TMC Made) >> Notes

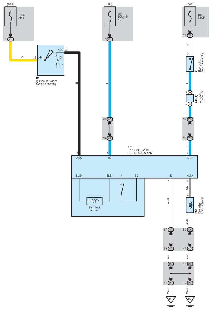
Shift Lock (TMC Made): Notes

Fig 1: Shift Lock System Wiring Diagram (TMC Made)
G08842785Courtesy of © TOYOTA, LICENSE AGREEMENT TMS1002