lemon-mirror:
Home >> Toyota >> 2012 >> Corolla Base, Automatic Trans >> Repair and Diagnosis >> Electrical >> Body Electrical >> OEM System Circuits >> Starting (TMC Made) >> Notes

Starting (TMC Made): Notes

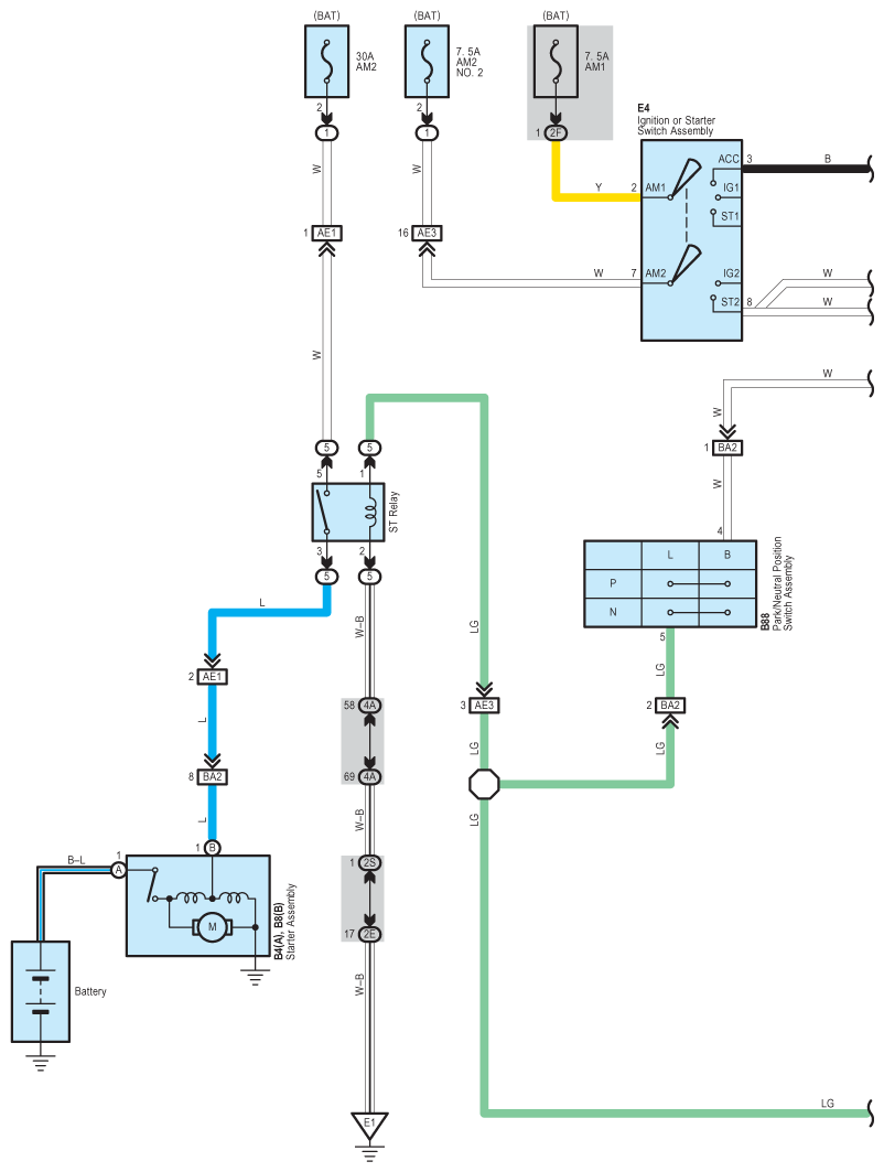
Fig 1: Starting System Wiring Diagram (TMC Made; 1 Of 2)
G08842720Courtesy of © TOYOTA, LICENSE AGREEMENT TMS1002
Fig 2: Starting System Wiring Diagram (TMC Made; 2 Of 2)
G08842721Courtesy of © TOYOTA, LICENSE AGREEMENT TMS1002