lemon-mirror:
Home >> Toyota >> 2012 >> FJ Cruiser RWD >> Repair and Diagnosis >> Electrical >> Body Electrical >> OEM System Circuits >> Accessory Meter >> Notes

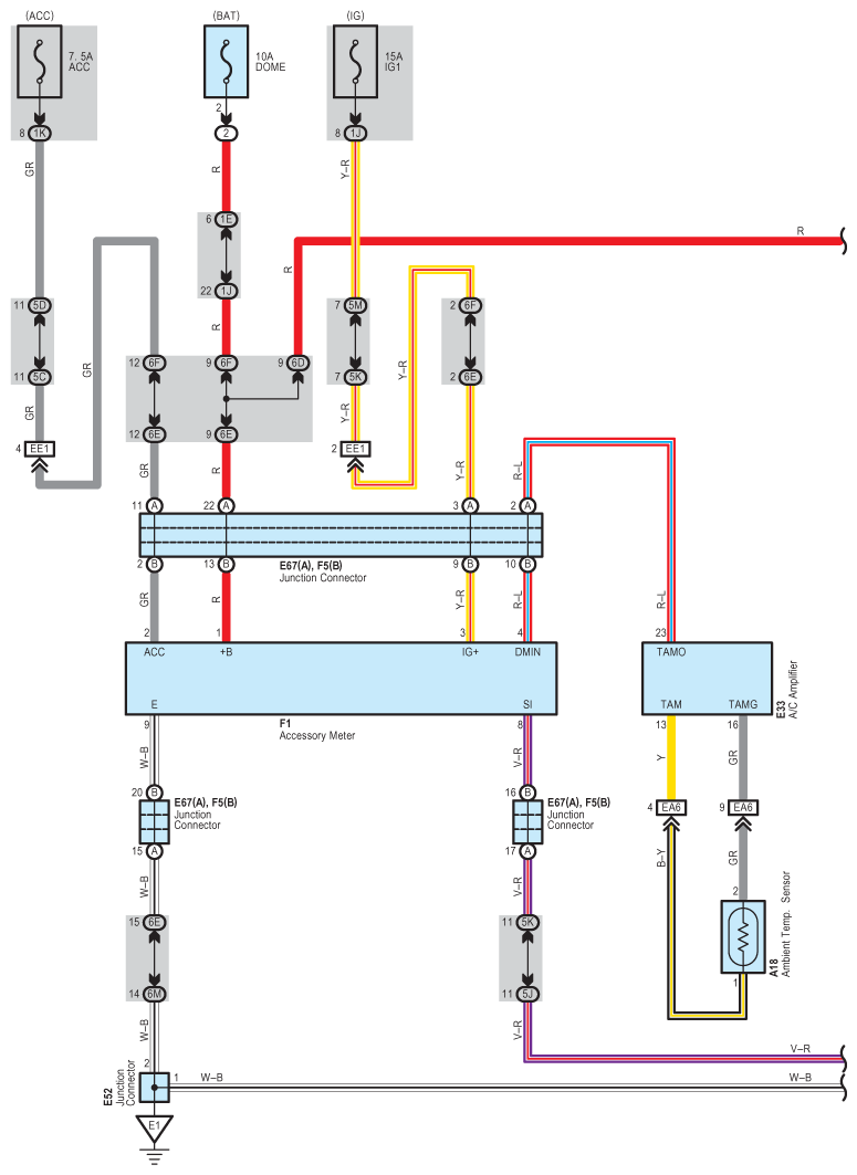
Accessory Meter: Notes

Fig 1: Accessory Meter System Wiring Diagram (1 Of 2)
G08843639Courtesy of © TOYOTA, LICENSE AGREEMENT TMS1002
Fig 2: Accessory Meter System Wiring Diagram (2 Of 2)
G08843640Courtesy of © TOYOTA, LICENSE AGREEMENT TMS1002