lemon-mirror:
Home >> Toyota >> 2012 >> FJ Cruiser RWD >> Repair and Diagnosis >> Electrical >> Body Electrical >> OEM System Circuits >> Engine Control >> Notes

Engine Control: Notes

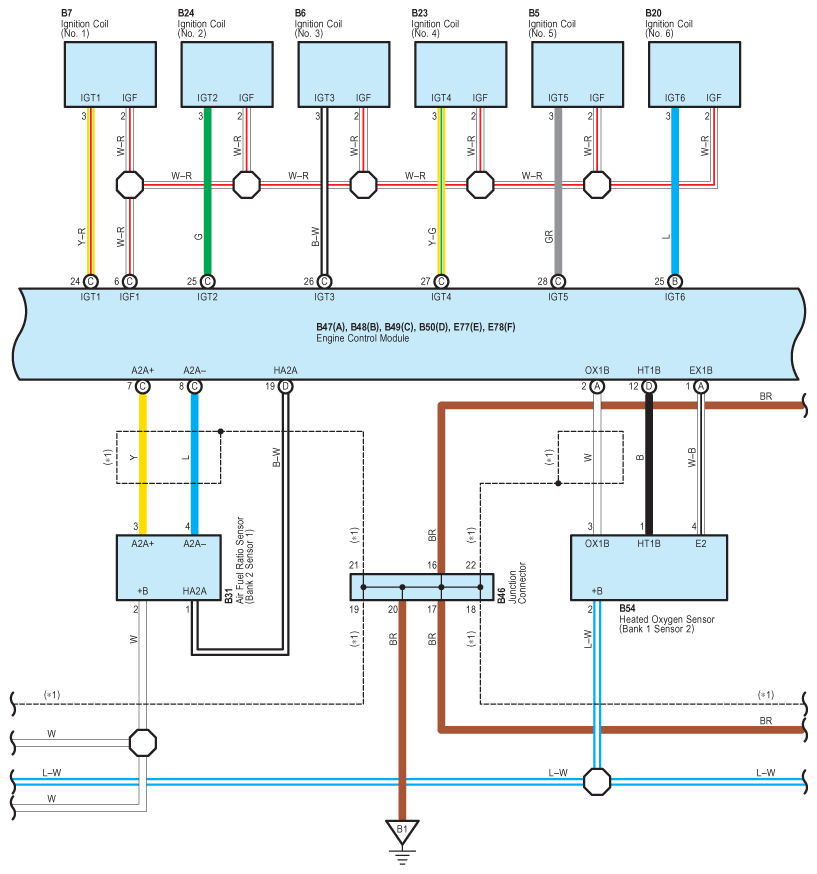
Fig 1: Engine Control System Wiring Diagram (1 Of 11)
G08843532Courtesy of © TOYOTA, LICENSE AGREEMENT TMS1002
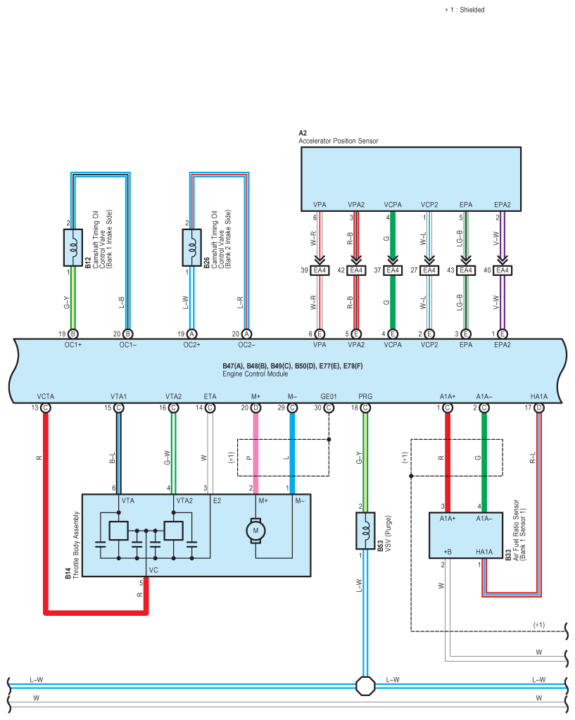
Fig 2: Engine Control System Wiring Diagram (2 Of 11)
G08843533Courtesy of © TOYOTA, LICENSE AGREEMENT TMS1002
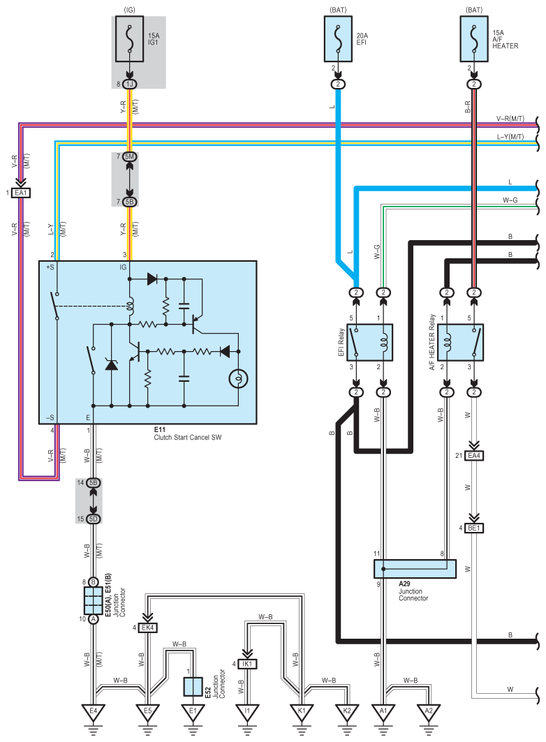
Fig 3: Engine Control System Wiring Diagram (3 Of 11)
G08843534Courtesy of © TOYOTA, LICENSE AGREEMENT TMS1002
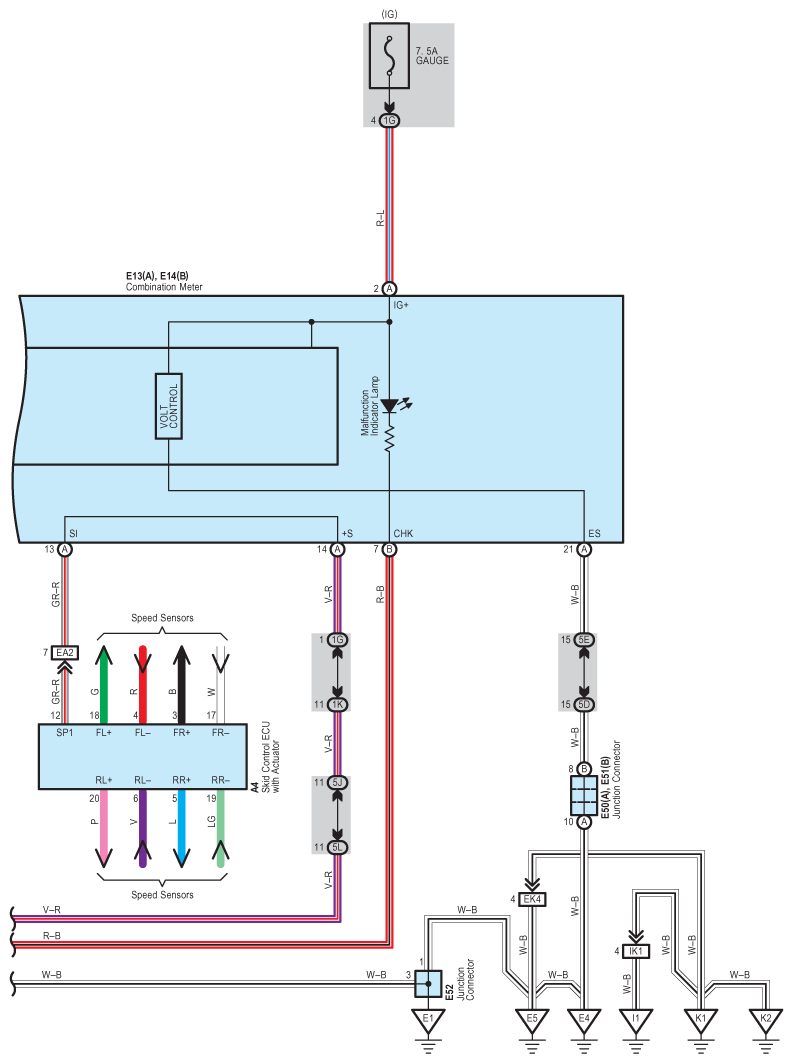
Fig 4: Engine Control System Wiring Diagram (4 Of 11)
G08843535Courtesy of © TOYOTA, LICENSE AGREEMENT TMS1002
Fig 5: Engine Control System Wiring Diagram (5 Of 11)
G08843536Courtesy of © TOYOTA, LICENSE AGREEMENT TMS1002
Fig 6: Engine Control System Wiring Diagram (6 Of 11)
G08843537Courtesy of © TOYOTA, LICENSE AGREEMENT TMS1002
Fig 7: Engine Control System Wiring Diagram (7 Of 11)
G08843538Courtesy of © TOYOTA, LICENSE AGREEMENT TMS1002
Fig 8: Engine Control System Wiring Diagram (8 Of 11)
G08843539Courtesy of © TOYOTA, LICENSE AGREEMENT TMS1002
Fig 9: Engine Control System Wiring Diagram (9 Of 11)
G08843540Courtesy of © TOYOTA, LICENSE AGREEMENT TMS1002
Fig 10: Engine Control System Wiring Diagram (10 Of 11)
G08843541Courtesy of © TOYOTA, LICENSE AGREEMENT TMS1002
Fig 11: Engine Control System Wiring Diagram (11 Of 11)
G08843542Courtesy of © TOYOTA, LICENSE AGREEMENT TMS1002