lemon-mirror:
Home >> Toyota >> 2012 >> FJ Cruiser RWD >> Repair and Diagnosis >> Electrical >> Body Electrical >> OEM System Circuits >> Key Reminder >> Notes

Key Reminder: Notes

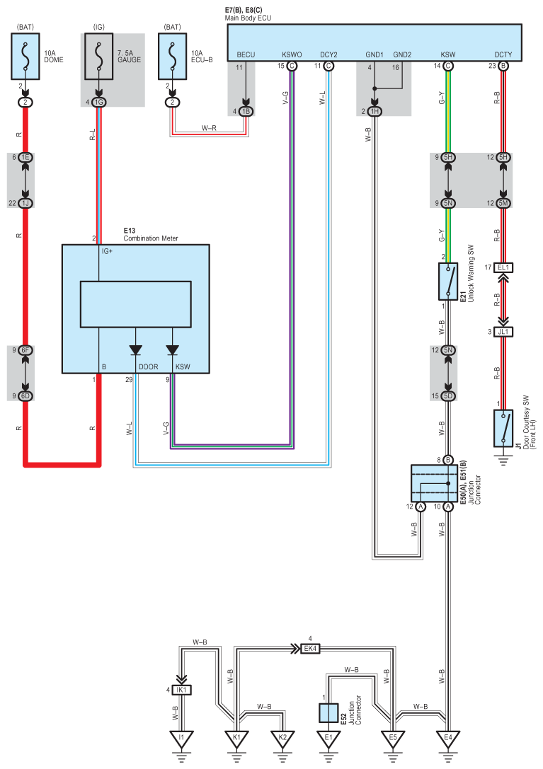
Fig 1: Key Reminder System Wiring Diagram
G08843571Courtesy of © TOYOTA, LICENSE AGREEMENT TMS1002