lemon-mirror:
Home >> Toyota >> 2012 >> FJ Cruiser RWD >> Repair and Diagnosis >> Electrical >> Body Electrical >> OEM System Circuits >> Rear Window Defogger >> Notes

Rear Window Defogger: Notes

Fig 1: Rear Window Defogger System Wiring Diagram (1 Of 2)
G08843636Courtesy of © TOYOTA, LICENSE AGREEMENT TMS1002
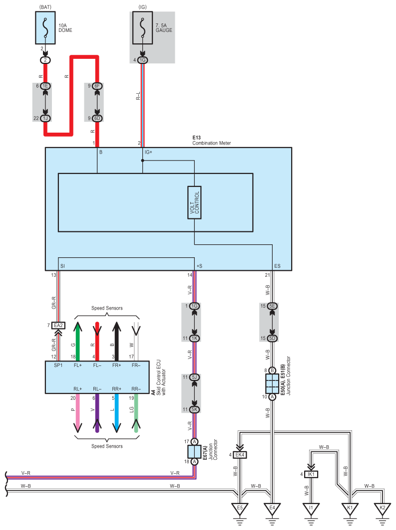
Fig 2: Rear Window Defogger System Wiring Diagram (2 Of 2)
G08843637Courtesy of © TOYOTA, LICENSE AGREEMENT TMS1002