lemon-mirror:
Home >> Toyota >> 2012 >> Matrix Base, Automatic Trans >> Repair and Diagnosis >> Electrical >> Body Electrical >> OEM System Circuits >> Audio System >> Notes

Audio System: Notes

Fig 1: Audio System Wiring Diagram (1 Of 4)
G08798992Courtesy of © TOYOTA, LICENSE AGREEMENT TMS1002
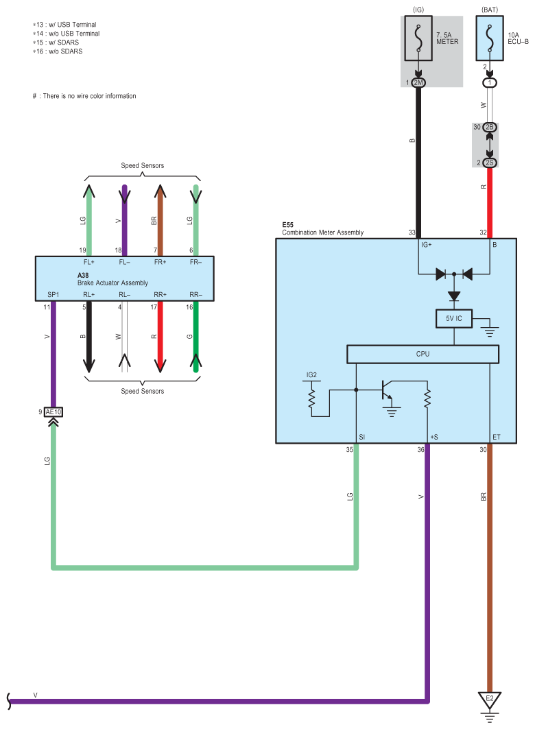
Fig 2: Audio System Wiring Diagram (2 Of 4)
G08798993Courtesy of © TOYOTA, LICENSE AGREEMENT TMS1002
Fig 3: Audio System Wiring Diagram (3 Of 4)
G08798994Courtesy of © TOYOTA, LICENSE AGREEMENT TMS1002
Fig 4: Audio System Wiring Diagram (4 Of 4)
G08798995Courtesy of © TOYOTA, LICENSE AGREEMENT TMS1002