lemon-mirror:
Home >> Toyota >> 2012 >> Matrix Base, Automatic Trans >> Repair and Diagnosis >> Electrical >> Body Electrical >> OEM System Circuits >> Cruise Control (2AZ-FE) >> Notes

Cruise Control (2AZ-FE): Notes

Fig 1: Cruise Control System Wiring Diagram (2AZ-FE; 1 Of 7)
G08798938Courtesy of © TOYOTA, LICENSE AGREEMENT TMS1002
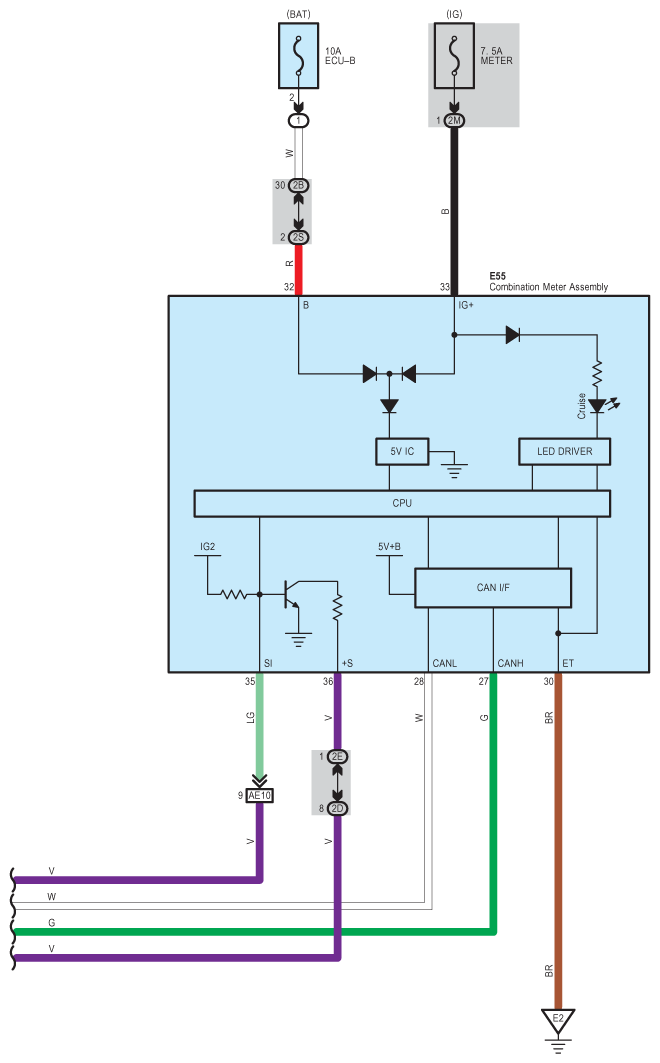
Fig 2: Cruise Control System Wiring Diagram (2AZ-FE; 2 Of 7)
G08798939Courtesy of © TOYOTA, LICENSE AGREEMENT TMS1002
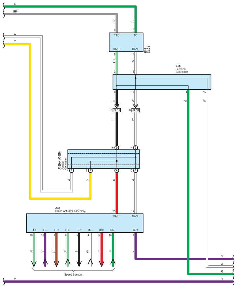
Fig 3: Cruise Control System Wiring Diagram (2AZ-FE; 3 Of 7)
G08798940Courtesy of © TOYOTA, LICENSE AGREEMENT TMS1002
Fig 4: Cruise Control System Wiring Diagram (2AZ-FE; 4 Of 7)
G08798941Courtesy of © TOYOTA, LICENSE AGREEMENT TMS1002
Fig 5: Cruise Control System Wiring Diagram (2AZ-FE; 5 Of 7)
G08798942Courtesy of © TOYOTA, LICENSE AGREEMENT TMS1002
Fig 6: Cruise Control System Wiring Diagram (2AZ-FE; 6 Of 7)
G08798943Courtesy of © TOYOTA, LICENSE AGREEMENT TMS1002
Fig 7: Cruise Control System Wiring Diagram (2AZ-FE; 7 Of 7)
G08798944Courtesy of © TOYOTA, LICENSE AGREEMENT TMS1002