lemon-mirror:
Home >> Toyota >> 2012 >> Matrix Base, Automatic Trans >> Repair and Diagnosis >> Electrical >> Body Electrical >> OEM System Circuits >> Engine Control (2ZR-FE) >> Notes

Engine Control (2ZR-FE): Notes

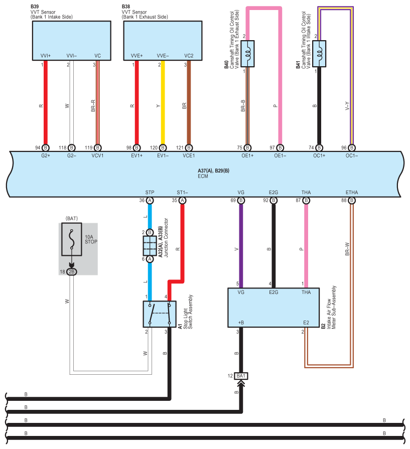
Fig 1: Engine Control System Wiring Diagram (2ZR-FE; 1 Of 10)
G08798878Courtesy of © TOYOTA, LICENSE AGREEMENT TMS1002
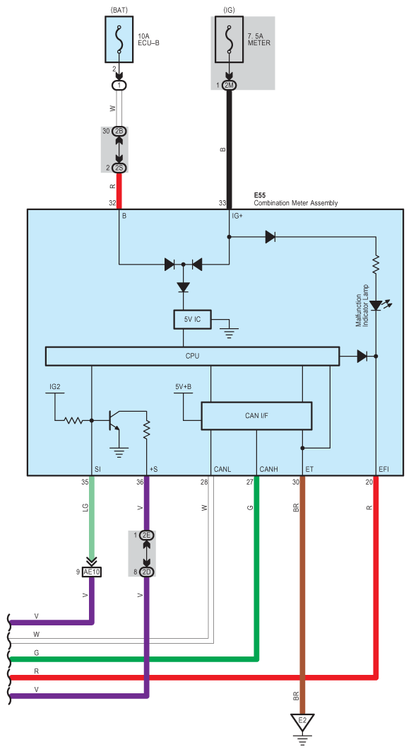
Fig 2: Engine Control System Wiring Diagram (2ZR-FE; 2 Of 10)
G08798879Courtesy of © TOYOTA, LICENSE AGREEMENT TMS1002
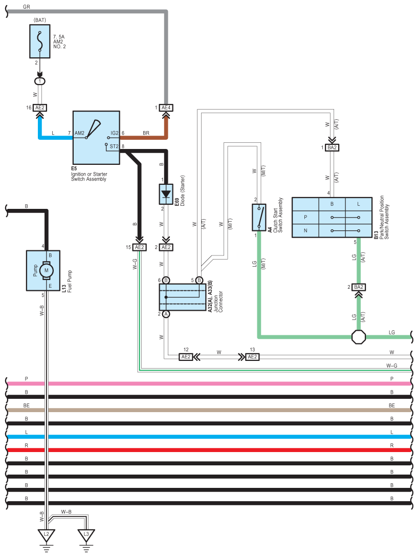
Fig 3: Engine Control System Wiring Diagram (2ZR-FE; 3 Of 10)
G08798880Courtesy of © TOYOTA, LICENSE AGREEMENT TMS1002
Fig 4: Engine Control System Wiring Diagram (2ZR-FE; 4 Of 10)
G08798881Courtesy of © TOYOTA, LICENSE AGREEMENT TMS1002
Fig 5: Engine Control System Wiring Diagram (2ZR-FE; 5 Of 10)
G08798882Courtesy of © TOYOTA, LICENSE AGREEMENT TMS1002
Fig 6: Engine Control System Wiring Diagram (2ZR-FE; 6 Of 10)
G08798883Courtesy of © TOYOTA, LICENSE AGREEMENT TMS1002
Fig 7: Engine Control System Wiring Diagram (2ZR-FE; 7 Of 10)
G08798884Courtesy of © TOYOTA, LICENSE AGREEMENT TMS1002
Fig 8: Engine Control System Wiring Diagram (2ZR-FE; 8 Of 10)
G08798885Courtesy of © TOYOTA, LICENSE AGREEMENT TMS1002
Fig 9: Engine Control System Wiring Diagram (2ZR-FE; 9 Of 10)
G08798886Courtesy of © TOYOTA, LICENSE AGREEMENT TMS1002
Fig 10: Engine Control System Wiring Diagram (2ZR-FE; 10 Of 10)
G08798887Courtesy of © TOYOTA, LICENSE AGREEMENT TMS1002