lemon-mirror:
Home >> Toyota >> 2012 >> Matrix Base, Automatic Trans >> Repair and Diagnosis >> Electrical >> Body Electrical >> OEM System Circuits >> Key Reminder >> Notes

Key Reminder: Notes

Fig 1: Key Reminder System Wiring Diagram (1 Of 2)
G08798978Courtesy of © TOYOTA, LICENSE AGREEMENT TMS1002
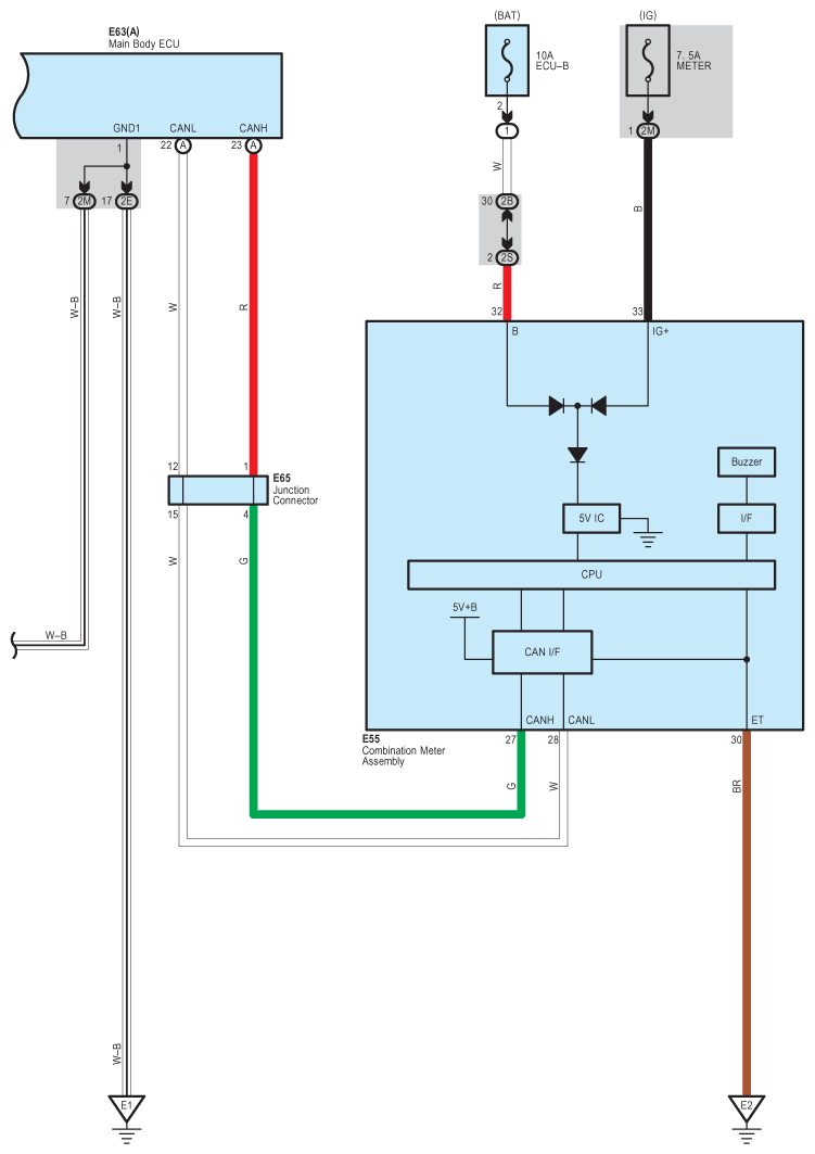
Fig 2: Key Reminder System Wiring Diagram (2 Of 2)
G08798979Courtesy of © TOYOTA, LICENSE AGREEMENT TMS1002