lemon-mirror:
Home >> Toyota >> 2012 >> Matrix Base, Automatic Trans >> Repair and Diagnosis >> Electrical >> Body Electrical >> OEM System Circuits >> Mirror Heater and Rear Window Defogger >> Notes

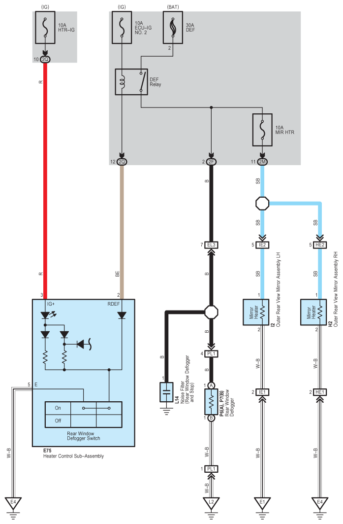
Mirror Heater and Rear Window Defogger: Notes

Fig 1: Mirror Heater And Rear Window Defogger Wiring Diagram
G08798985Courtesy of © TOYOTA, LICENSE AGREEMENT TMS1002