lemon-mirror:
Home >> Toyota >> 2012 >> Matrix Base, Automatic Trans >> Repair and Diagnosis >> Electrical >> Body Electrical >> OEM System Circuits >> Remote Control Mirror >> Notes

Remote Control Mirror: Notes

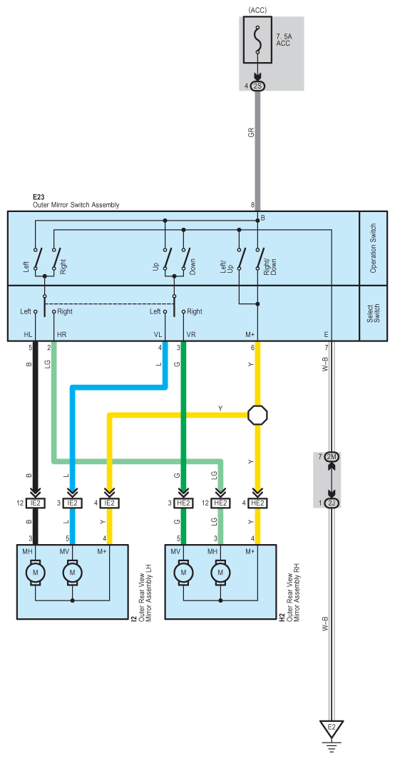
Fig 1: Remote Control Mirror Wiring Diagram
G08798990Courtesy of © TOYOTA, LICENSE AGREEMENT TMS1002