lemon-mirror:
Home >> Toyota >> 2012 >> Matrix Base, Automatic Trans >> Repair and Diagnosis >> Electrical >> Body Electrical >> OEM System Circuits >> Seat Belt Warning >> Notes

Seat Belt Warning: Notes

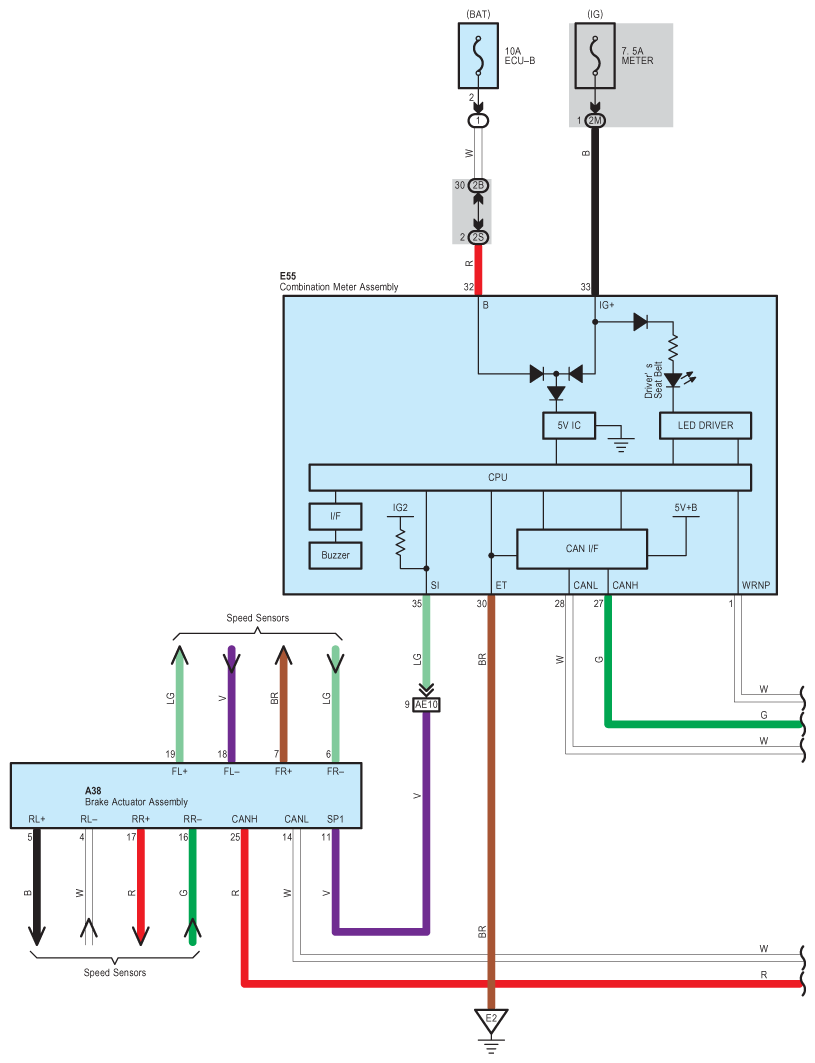
Fig 1: Seat Belt Warning System Wiring Diagram (1 Of 3)
G08798982Courtesy of © TOYOTA, LICENSE AGREEMENT TMS1002
Fig 2: Seat Belt Warning System Wiring Diagram (2 Of 3)
G08798983Courtesy of © TOYOTA, LICENSE AGREEMENT TMS1002
Fig 3: Seat Belt Warning System Wiring Diagram (3 Of 3)
G08798984Courtesy of © TOYOTA, LICENSE AGREEMENT TMS1002