lemon-mirror:
Home >> Toyota >> 2012 >> Prius Two >> Repair and Diagnosis >> Electrical >> Body Electrical >> OEM System Circuits >> Cruise Control, Dynamic Radar Cruise Control and Engine Control >> Notes

Cruise Control, Dynamic Radar Cruise Control and Engine Control: Notes

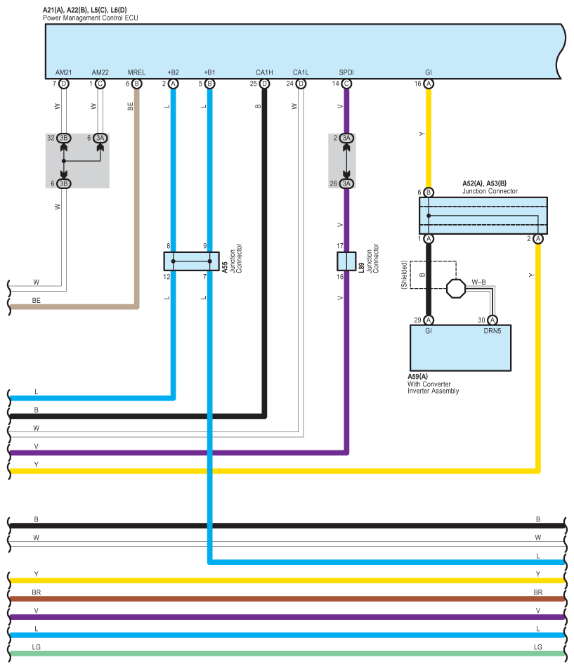
Fig 1: Cruise, Dynamic Radar Cruise And Engine Control System Wiring Diagram (1 Of 32)
G08849999Courtesy of © TOYOTA, LICENSE AGREEMENT TMS1002
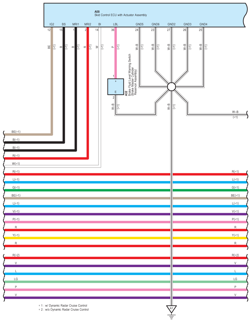
Fig 2: Cruise, Dynamic Radar Cruise And Engine Control System Wiring Diagram (2 Of 32)
G08850000Courtesy of © TOYOTA, LICENSE AGREEMENT TMS1002
Fig 3: Cruise, Dynamic Radar Cruise And Engine Control System Wiring Diagram (3 Of 32)
G08850001Courtesy of © TOYOTA, LICENSE AGREEMENT TMS1002
Fig 4: Cruise, Dynamic Radar Cruise And Engine Control System Wiring Diagram (4 Of 32)
G08850002Courtesy of © TOYOTA, LICENSE AGREEMENT TMS1002
Fig 5: Cruise, Dynamic Radar Cruise And Engine Control System Wiring Diagram (5 Of 32)
G08850003Courtesy of © TOYOTA, LICENSE AGREEMENT TMS1002
Fig 6: Cruise, Dynamic Radar Cruise And Engine Control System Wiring Diagram (6 Of 32)
G08850004Courtesy of © TOYOTA, LICENSE AGREEMENT TMS1002
Fig 7: Cruise, Dynamic Radar Cruise And Engine Control System Wiring Diagram (7 Of 32)
G08850005Courtesy of © TOYOTA, LICENSE AGREEMENT TMS1002
Fig 8: Cruise, Dynamic Radar Cruise And Engine Control System Wiring Diagram (8 Of 32)
G08850006Courtesy of © TOYOTA, LICENSE AGREEMENT TMS1002
Fig 9: Cruise, Dynamic Radar Cruise And Engine Control System Wiring Diagram (9 Of 32)
G08850007Courtesy of © TOYOTA, LICENSE AGREEMENT TMS1002
Fig 10: Cruise, Dynamic Radar Cruise And Engine Control System Wiring Diagram (10 Of 32)
G08850008Courtesy of © TOYOTA, LICENSE AGREEMENT TMS1002
Fig 11: Cruise, Dynamic Radar Cruise And Engine Control System Wiring Diagram (11 Of 32)
G08850009Courtesy of © TOYOTA, LICENSE AGREEMENT TMS1002
Fig 12: Cruise, Dynamic Radar Cruise And Engine Control System Wiring Diagram (12 Of 32)
G08850010Courtesy of © TOYOTA, LICENSE AGREEMENT TMS1002
Fig 13: Cruise, Dynamic Radar Cruise And Engine Control System Wiring Diagram (13 Of 32)
G08850011Courtesy of © TOYOTA, LICENSE AGREEMENT TMS1002
Fig 14: Cruise, Dynamic Radar Cruise And Engine Control System Wiring Diagram (14 Of 32)
G08850012Courtesy of © TOYOTA, LICENSE AGREEMENT TMS1002
Fig 15: Cruise, Dynamic Radar Cruise And Engine Control System Wiring Diagram (15 Of 32)
G08850013Courtesy of © TOYOTA, LICENSE AGREEMENT TMS1002
Fig 16: Cruise, Dynamic Radar Cruise And Engine Control System Wiring Diagram (16 Of 32)
G08850014Courtesy of © TOYOTA, LICENSE AGREEMENT TMS1002
Fig 17: Cruise, Dynamic Radar Cruise And Engine Control System Wiring Diagram (17 Of 32)
G08850015Courtesy of © TOYOTA, LICENSE AGREEMENT TMS1002
Fig 18: Cruise, Dynamic Radar Cruise And Engine Control System Wiring Diagram (18 Of 32)
G08850016Courtesy of © TOYOTA, LICENSE AGREEMENT TMS1002
Fig 19: Cruise, Dynamic Radar Cruise And Engine Control System Wiring Diagram (19 Of 32)
G08850017Courtesy of © TOYOTA, LICENSE AGREEMENT TMS1002
Fig 20: Cruise, Dynamic Radar Cruise And Engine Control System Wiring Diagram (20 Of 32)
G08850018Courtesy of © TOYOTA, LICENSE AGREEMENT TMS1002
Fig 21: Cruise, Dynamic Radar Cruise And Engine Control System Wiring Diagram (21 Of 32)
G08850019Courtesy of © TOYOTA, LICENSE AGREEMENT TMS1002
Fig 22: Cruise, Dynamic Radar Cruise And Engine Control System Wiring Diagram (22 Of 32)
G08850020Courtesy of © TOYOTA, LICENSE AGREEMENT TMS1002
Fig 23: Cruise, Dynamic Radar Cruise And Engine Control System Wiring Diagram (23 Of 32)
G08850021Courtesy of © TOYOTA, LICENSE AGREEMENT TMS1002
Fig 24: Cruise, Dynamic Radar Cruise And Engine Control System Wiring Diagram (24 Of 32)
G08850022Courtesy of © TOYOTA, LICENSE AGREEMENT TMS1002
Fig 25: Cruise, Dynamic Radar Cruise And Engine Control System Wiring Diagram (25 Of 32)
G08850023Courtesy of © TOYOTA, LICENSE AGREEMENT TMS1002
Fig 26: Cruise, Dynamic Radar Cruise And Engine Control System Wiring Diagram (26 Of 32)
G08850024Courtesy of © TOYOTA, LICENSE AGREEMENT TMS1002
Fig 27: Cruise, Dynamic Radar Cruise And Engine Control System Wiring Diagram (27 Of 32)
G08850025Courtesy of © TOYOTA, LICENSE AGREEMENT TMS1002
Fig 28: Cruise, Dynamic Radar Cruise And Engine Control System Wiring Diagram (28 Of 32)
G08850026Courtesy of © TOYOTA, LICENSE AGREEMENT TMS1002
Fig 29: Cruise, Dynamic Radar Cruise And Engine Control System Wiring Diagram (29 Of 32)
G08850027Courtesy of © TOYOTA, LICENSE AGREEMENT TMS1002
Fig 30: Cruise, Dynamic Radar Cruise And Engine Control System Wiring Diagram (30 Of 32)
G08850028Courtesy of © TOYOTA, LICENSE AGREEMENT TMS1002
Fig 31: Cruise, Dynamic Radar Cruise And Engine Control System Wiring Diagram (31 Of 32)
G08850029Courtesy of © TOYOTA, LICENSE AGREEMENT TMS1002
Fig 32: Cruise, Dynamic Radar Cruise And Engine Control System Wiring Diagram (32 Of 32)
G08850030Courtesy of © TOYOTA, LICENSE AGREEMENT TMS1002